Ce produit est un module optique à double densité (QSFP-DD) parallèle de 400 Gb/s Quad Small Form Factor Pluggable. Il offre une densité de port accrue et des économies de coûts totaux du système.
Ce produit est un module optique à double densité (QSFP-DD) parallèle de 400 Gb/s Quad Small Form Factor Pluggable. Il offre une densité de port accrue et des économies de coûts totaux du système. Le module optique full- duplex QSFP-DD offre 8 canaux d'émission et de réception indépendants, chacun pouvant fonctionner 53.125 Gb/s pour un débit de données agrégées de 400 Gb/s sur 100 mètres de fibre multimode OM3. Un câble de fibre optique avec un connecteur MTP/MPO-16 peut être branché dans la QSFP-DD prise de module SR8. Un bon alignement est assuré par les broches de guidage à l'intérieur du réceptacle. Le câble ne peut généralement pas être tordu pour un alignement approprié du canal au canal. La connexion électrique est obtenue via un connecteur de type bord QSFP-DD conforme à MSA. Les longueurs d'onde centrales des 8 voies parallèles sont de 850nm. Il contient un connecteur MPO-16 optique pour l'interface optique et un connecteur à 60 broches pour l'interface électrique. L'hôte FEC est nécessaire pour prendre en charge jusqu'à 70m de transmission fibre multimode OM3. Le produit est conçu avec le facteur de forme, la connexion optique/électrique et l'interface de diagnostic numérique selon l'accord QSFP-DD multi-sources (MSA) de type 2. Il a été conçu pour répondre aux conditions de fonctionnement externes les plus difficiles, y compris la température, l'humidité et les interférences EMI.
Caractéristiques
● QSFP-DD MSA conforme
● 8 voies parallèles sur la longueur d'onde centrale de 850nm
● Conforme à la spécification IEEE 802.3bs
● Transmission jusqu'à 100m sur fibre multimode (MMF) OM3 avec FEC
● Température du boîtier de fonctionnement: 0 à 70oC
● Interface électrique 8x53.125 Gb/s (400GAUI-8)
● Taux de données 53.125Gbps (PAM4) par canal.
● Consommation de puissance maximale 12W
● Connecteur MPO-16
● RoHS conforme
Diagramme de bloc d'émetteur-récepteur
Figure 1. Diagramme du bloc émetteur-récepteur
Interface optique et affectation de la Pin
Le démontage électrique du module de QSFP-DD est représenté comme figure 2. et la figure 3 montre l'interface optique de MPO-16.
Figure 2. Connecteur conforme MSA

Figure 3. Interface de connecteur optique MPO-16
Définition de la Pin
Épin | Logique | Symbole | Deion | Plug Séquence |
1 | GND | Sol | 1B | |
2 | CML-I | Tx2n | Entrée de données inversée par émetteur | 3B |
3 | CML-I | Tx2p | Entrée de données non inversée de l'émetteur | 3B |
4 | GND | Sol | 1B | |
5 | CML-I | Tx4n | Entrée de données inversée par émetteur | 3B |
6 | CML-I | Tx4p | Entrée de données non inversée de l'émetteur | 3B |
7 | GND | Sol | 1B | |
8 | LVTTL-I | ModSelL | Module Sélectionner | 3B |
9 | LVTTL-I | Réinitialiser | Réinitialisation du module | 3B |
10 | VccRx | Récepteur d'alimentation 3.3V | 2B | |
11 | LVCMOS- I/O | SCL | Horloge d'interface série à 2 fils | 3B |
12 | LVCMOS- I/O | SDA | Données d'interface série à 2 fils | 3B |
13 | GND | Sol | 1B | |
14 | CML-O | Rx3p | Sortie de données non inversée Récepteur | 3B |
15 | CML-O | Rx3n | Sortie de données inversée Récepteur | 3B |
16 | GND | Sol | 1B | |
17 | CML-O | Rx1p | Sortie de données non inversée Récepteur | 3B |
18 | CML-O | Rx1n | Sortie de données inversée Récepteur | 3B |
19 | GND | Sol | 1B | |
20 | GND | Sol | 1B | |
21 | CML-O | Rx2n | Sortie de données inversée Récepteur | 3B |
22 | CML-O | Rx2p | Sortie de données non inversée Récepteur | 3B |
23 | GND | Sol | 1B | |
24 | CML-O | Rx4n | Sortie de données inversée Récepteur | 3B |
25 | CML-O | Rx4p | Sortie de données non inversée Récepteur | 3B |
26 | GND | Sol | 1B | |
27 | LVTTL-O | ModPrsL | Module présent | 3B |
28 | LVTTL-O | IntL | Interrompre | 3B |
29 | VccTx | Transmetteur d'alimentation 3.3V | 2B | |
30 | Vcc1 | Alimentation électrique 3.3V | 2B | |
31 | LVTTL-I | InitMode | Mode d'initialisation; Dans les applications QSFP héritées, InitMode Pad est appelé LPMODE | 3B |
32 | GND | Sol | 1B | |
33 | CML-I | Tx3p | Entrée de données non inversée de l'émetteur | 3B |
34 | CML-I | Tx3n | Entrée de données inversée par émetteur | 3B |
35 | GND | Sol | 1B | |
36 | CML-I | Tx1p | Entrée de données non inversée de l'émetteur | 3B |
37 | CML-I | Tx1n | Entrée de données inversée par émetteur | 3B |
38 | GND | Sol | 1B | |
39 | GND | Sol | 1A | |
40 | CML-I | Tx6n | Entrée de données inversée par émetteur | 3A |
41 | CML-I | Tx6p | Entrée de données non inversée de l'émetteur | 3A |
42 | GND | Sol | 1A | |
43 | CML-I | Tx8n | Entrée de données inversée par émetteur | 3A |
44 | CML-I | Tx8p | Entrée de données non inversée de l'émetteur | 3A |
45 | GND | Sol | 1A | |
46 | Réservé | Pour une utilisation future | 3A | |
47 | VS1 | Module fournisseur spécifique 1 | 3A | |
48 | VccRx1 | Alimentation électrique 3.3V | 2A | |
49 | VS2 | Module fournisseur spécifique 2 | 3A | |
50 | VS3 | Module fournisseur spécifique 3 | 3A | |
51 | GND | Sol | 1A | |
52 | CML-O | Rx7p | Sortie de données non inversée Récepteur | 3A |
53 | CML-O | Rx7n | Sortie de données inversée Récepteur | 3A |
54 | GND | Sol | 1A | |
55 | CML-O | Rx5p | Sortie de données non inversée Récepteur | 3A |
56 | CML-O | Rx5n | Sortie de données inversée Récepteur | 3A |
57 | GND | Sol | 1A | |
58 | GND | Sol | 1A | |
59 | CML-O | Rx6n | Sortie de données inversée Récepteur | 3A |
60 | CML-O | Rx6p | Sortie de données non inversée Récepteur | 3A |
61 | GND | Sol | 1A | |
62 | CML-O | Rx8n | Sortie de données inversée Récepteur | 3A |
63 | CML-O | Rx8p | Sortie de données non inversée Récepteur | 3A |
64 | GND | Sol | 1A | |
65 | NC | Pas de connexion | 3A | |
66 | Réservé | Pour une utilisation future | 3A | |
67 | VccTx1 | Alimentation électrique 3.3V | 2A | |
68 | Vcc2 | Alimentation électrique 3.3V | 2A | |
69 | Réservé | Pour une utilisation future | 3A | |
70 | GND | Sol | 1A | |
71 | CML-I | Tx7p | Entrée de données non inversée de l'émetteur | 3A |
72 | CML-I | Tx7n | Entrée de données inversée par émetteur | 3A |
73 | GND | Sol | 1A | |
74 | CML-I | Tx5p | Entrée de données non inversée de l'émetteur | 3A |
75 | CML-I | Tx5n | Entrée de données inversée par émetteur | 3A |
76 | GND | Sol | 1A |
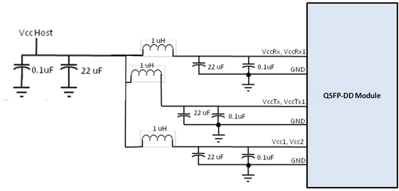
Filtre d'alimentation recommandé

Figure 4. Filtre d'alimentation recommandé
Évaluations maximales absolues
Il faut noter que le fonctionnement au-delà de toute valeur nominale maximale absolue individuelle pourrait causer des dommages permanents à ce module.
| Paramètre | Symbole | Min | Max | Unités | Notes |
| Température de stockage | TS | -40 | 85 | DegC | |
| Température du boîtier de fonctionnement | TOP | 0 | 70 | DegC | |
| Tension d'alimentation | VCC | -0.5 | 3.6 | V | |
Humidité relative (Sans condensation) | RH | 0 | 85 | % |
Conditions de fonctionnement recommandées et exigences en matière d'alimentation
| Paramètre | Symbole | Min | Typique | Max | Unités | Notes |
| Température du boîtier de fonctionnement | TOP | 0 | 70 | DegC | ||
| Tension d'alimentation | VCC | 3.135 | 3.3 | 3.465 | V | |
| Taux de données, chaque voie | 26.5625 | GBd | PAM4 | |||
| Précision du taux de données | -100 | 100 | Ppm | |||
| Ratio d'erreur pré-FEC Bit | 2,4x10-4 | |||||
| Ratio d'erreur post-FEC | 1x10-12 | 1 | ||||
| Lien Distance avec OM3 | D | 0.5 | 100 | M | 2 |
Notes:
1. FEC fourni par le système hôte.
2. FEC requis sur le système hôte pour prendre en charge la distance maximale.
Caractéristiques électriques
Les actériques électriques suivantes sont définies par rapport à l'environnement d'exploitation recommandé, sauf indication contraire.
| Paramètre | Test | Min | Typique | Max | Unités | Notes | |||||||
| Point | |||||||||||||
| Consommation de puissance | 12 | W | |||||||||||
| Courant d'approvisionnement | Icc | 3.63 | A | ||||||||||
| Émetteur (chaque voie) | |||||||||||||
| Taux de signalisation, chaque voie | TP1 | 26.5625 ± 100 ppm | GBd | ||||||||||
Différentiel pk-pk Tolérance de tension d'entrée | TP1a | 900 | MVpp | 1 | |||||||||
Résiliation différentielle Inadéquation | TP1 | 10 | % | ||||||||||
| 802.3 IEEE- | |||||||||||||
Entrée différentielle Perte de retour | TP1 | 2015 | DB | ||||||||||
| Équation | |||||||||||||
| -8.30E-04 | |||||||||||||
| 802.3 IEEE- | |||||||||||||
Différentiel à commun Mode Perte de retour d'entrée | TP1 | 2015 | DB | ||||||||||
| Équation | |||||||||||||
| -8.30E-05 | |||||||||||||
| Module Stressé Test D'entrée | TP1a | Voir IEEE 802.3bs 120E.3.4.1 | 2 | ||||||||||
Tension à une seule fin Gamme de tolérance (Min) | TP1a | -0.4 à 3.3 | V | ||||||||||
DC Mode commun Tension d'entrée | TP1 | -350 | 2850 | MV | 3 | ||||||||
| Récepteur (chaque voie) | |||||||||||||
Signalisation Taux, Chaque voie | TP4 | 26.5625 ± 100 ppm | GBd | ||||||||||
Différentiel Pic à pic Tension de sortie | TP4 | 900 | MVpp | ||||||||||
AC Commun Mode de sortie Tension, RMS | TP4 | 17.5 | MV | ||||||||||
Différentiel Résiliation Inadéquation | TP4 | 10 | % | ||||||||||
| 802.3 IEEE- | |||||||||||||
Différentiel Sortie Retour Perte | TP4 | 2015 | |||||||||||
| Équation | |||||||||||||
| -8.30E-01 | |||||||||||||
| 802.3 IEEE- | |||||||||||||
Commun à Différentiel Mode Conversion Perte de retour | TP4 | 2015 | |||||||||||
| Équation | |||||||||||||
| -8.30E-02 | |||||||||||||
Transition Du temps, 20% À 80% | TP4 | 9.5 | Ps | ||||||||||
Proche-fin Oeil Symétrie Masque | TP4 | 0.265 | UI | ||||||||||
| Largeur (ESMW) | |||||||||||||
Proche-fin Hauteur des yeux, | TP4 | 70 | MV | ||||||||||
| Différentiel | |||||||||||||
Extrême-end Oeil Symétrie Masque | TP4 | 0.2 | UI | ||||||||||
| Largeur (ESMW) | |||||||||||||
Extrême-end Oeil Hauteur, Différentiel | TP4 | 30 | MV | ||||||||||
Extrême-end Pré-curseur Ratio ISI | TP4 | -4.5 | 2.5 | % | |||||||||
Commun Mode Sortie Tension (Vcm) | TP4 | -350 | 2850 | MV | 3 | ||||||||
Notes:
1. À l'exception de l'IEEE 802.3bs 120E.3.1.2, le motif est PRBS31Q ou ralenti brouillé.
2. Répond au BER spécifié dans l'IEEE 802.3bs 120E.1.1.
3. DC tension de mode commun généré par l'hôte. La spécification comprend les effets de la tension de décalage de terre.
Caractéristiques optiques
| Paramètre | Symbole | Min | Typique | Max | Unités | Notes |
| Émetteur | ||||||
| Longueur d'onde centrale | ΛC | 840 | 850 | 860 | Nm | |
| Taux de données, chaque voie | 26.5625 ± 100 ppm | GBd | ||||
| Format de modulation | PAM4 | |||||
| Largeur spectrale RMS | ∆Λrms | 0.6 | Nm | Modulé | ||
Lancement moyen Puissance, chaque Lane | PAVG | -6.5 | 4 | DBm | 1 | |
| Modulation optique externe | ||||||
Amplitude (OMAouter), Chaque Lane | POMA | -4.5 | 3 | DBm | 2 | |
Lancement de la puissance dans OMAouter moins TDECQ, chaque voie | -5.9 | DB | ||||
Émetteur et Dispersion Oeil Clouser pour PAM4, chaque Lane | ||||||
| TDECQ | 4.5 | DB | ||||
| Rapport d'extinction | ER | 3 | DB | |||
| Perte de retour optique | TOL | 12 | DB | |||
| Tolérance | ||||||
Puissance de lancement moyenne de Émetteur OFF, chaque voie | Poff | -30 | DBm | |||
| Flux encerclé | ≥ 86% à 19 μm | |||||
| ≤ 30% à 4.5 μm | ||||||
| Récepteur | ||||||
| Longueur d'onde centrale | ΛC | 840 | 850 | 860 | Nm | |
| Taux de données, chaque voie | 26.5625 ± 100 ppm | GBd | ||||
| Format de modulation | PAM4 | |||||
| Seuil de dommages, chaque voie | THd | 5 | DBm | 3 | ||
| Puissance moyenne de réception, chaque | -7.9 | 4 | DBm | 4 | ||
| Lane | ||||||
Recevoir la puissance (OMAouter), chaque Lane | 3 | DBm | ||||
| Sensibilité du récepteur | SEN | -6.5 | DBm | 5 | ||
| (OMAouter), chaque Lane | ||||||
| Sensibilité du récepteur stressé | SRS | -3 | DBm | 6 | ||
| (OMAouter), chaque Lane | ||||||
| Réflectance Récepteur | RR | -12 | DB | |||
| LOS Assert | LOSA | -30 | DBm | |||
| LOS De-affirmer | LOSD | -12 | DBm | |||
| LOS Hystérésis | LOSH | 0.5 | DB | |||
Conditions stressées pour le stress Sensibilité du récepteur (note 7) | ||||||
Fermeture des yeux stressés pour PAM4 (SECQ), Lane sous test | 4 | DB | ||||
| OMAouter de chaque voie de l'aggresseur | 3 | DBm | ||||
Notes:
1. Puissance de lancement moyenne, chaque voie (min) est informative et non le principal indicateur de la force du signal.
Un émetteur dont la puissance de lancement est inférieure à cette valeur ne peut pas être conforme; cependant,
Une valeur au-dessus ne garantit pas la conformité.
2. Même si le TDECQ < 1 dB, l'OMAouter (min) doit dépasser la valeur minimale spécifiée ici.
3. Le récepteur doit être capable de tolérer, sans dommage, une exposition continue à un signal d'entrée optique ayant ce niveau de puissance moyen.
4. Puissance de réception moyenne, chaque voie (min) est informative et non le principal indicateur de la force du signal. Une puissance reçue en dessous de cette valeur ne peut pas être conforme;
Cependant, une valeur supérieure à cela ne garantit pas la conformité.
5. Sensibilité du récepteur OMAouter, chaque voie (max) est informative et est définie pour un BER de 2,4x10-4.
6. Mesuré avec le signal de test de conformité à l'entrée du récepteur pour le BER de 2,4x10-4.
7. Ces conditions d'essai sont pour mesurer la sensibilité du récepteur stressé. Ce ne sont pas des bactéries du récepteur.
Fonctions diagnostiques numériques
Les actéries de diagnostic numériques suivantes sont définies sur les conditions de fonctionnement normales, sauf indication contraire.
| Paramètre | Symbole | Min | Max | Unités | Notes |
Moniteurs de température Erreur absolue | Au-dessus de la plage de température de fonctionnement | ||||
| DMI_Temp | -3 | 3 | DegC | ||
| Moniteur de tension d'alimentation | DMI _ VCC | -0.1 | 0.1 | V | Plus de fonctionnement complet |
| Erreur absolue | Gamme | ||||
Moniteur de puissance canal RX Erreur absolue | |||||
| DMI_RX_Ch | -2 | 2 | DB | 1 | |
| Courant de biais de canal | DMI_Ibias_Ch | -10% | 10% | MA | |
| Moniteur | |||||
| Canal TX puissance | DMI_TX_Ch | -2 | 2 | DB | 1 |
| Moniteur d'erreur absolue |
Notes:
1. En raison de la précision de mesure des différentes fibres, il peut y avoir une fluctuation supplémentaire de +/-1 dB, ou une précision totale de +/- 3 dB.
Dessin de contour (mm)

Applications
● Interconnexion du centre de données
● 400G Ethernet
● Interconnexions InfiniBand
● Mise en réseau d'entreprise
| Date | Version | Description | Download | ||
| 2025-03-17 | Données _ 400G QSFP-DD SR8 850nm 100m _ LA-OT-400G-SR8 | ||||
Abonnez-vous maintenant, vous pouvez vous remettre de 100 précieuses ressources et de vos livres blancs.
Suivez-nous peut également obtenir les derniers produits et informations de l'industrie dans nos e-mails membres.Apprendre les détails >>>
Appelez-nous sur:
Nous envoyer un courriel:
2106B, # 3D, Cloud Park Phase 1, Bantian, Longgang, Shenzhen, 518129, P.R.C.