Conçu pour être utilisé dans les liaisons Ethernet 10 Gigabit jusqu'à 80km par fibre monomode. Le module se compose de CWDM EML Laser, APD et Preamplificateur dans un sous-ensemble optique haute intégrée.
Conçu pour être utilisé dans les liaisons Ethernet 10 Gigabit jusqu'à 80km par fibre monomode. Le module se compose de CWDM EML Laser, APD et Preamplificateur dans un sous-ensemble optique haute intégrée. Les fonctions de diagnostic numérique sont disponibles via une interface série à 2 fils, comme spécifié dans SFF8472. Les données du module relient jusqu'à 80km en fibre monomode 9/125um.
Caractéristiques
● Conforme aux SFF-8431 SFP et à SFF-8432 empreinte SFP enfichable à chaud
● Prend en charge les débits binaires 9.5 à 11.3 Gb/s
● Dissipation de puissance <1.5W
● Alimentation unique 3.3V
● Longueur de liaison maximale de 80km
● Transmetteur EML de longueur d'onde CWDM, détecteur photo APD
● Connecteur LC duplex
● Dissipation de puissance <1.5W
● Fonctions de diagnostic numérique intégrées
● Plage de température du boîtier: 0 °C à 70 °C
Norme
● Conforme avec SFF-8472 SFP MSA
● Conforme aux SFF-8431 et SFF-8432 SFP
● Conforme à 802.3ae 10GBASE-ZR
Évaluations maximales absolues
Paramètre | Symbole | Min. | Typ. | Max. | Unité | Note |
Température de stockage | Ts | -40 | 85 | °C | ||
Humidité ambiante de stockage | HA | 5 | 85 | % | ||
Tension d'alimentation | VCC | -0.5 | 4 | V | ||
Tension d'entrée du signal | -0.3 | Vcc + 0.3 | V | |||
Seuil de dommages Récepteur | + 4 | DBm |
Environnement d'opération
Paramètre | Symbole | Min. | Typ. | Max. | Unité | Note |
Boîtier de fonctionnement Température | Étui | 0 | 70 | °C | Note (1) | |
Humidité ambiante | HA | 5 | 85 | % | ||
Alimentation électrique Tension | VCC | 3.14 | 3.3 | 3.46 | V | |
Alimentation électrique Actuel | ICC | 450 | MA | |||
Alimentation électrique Rejet du bruit | 100 | MVp-p | 100Hz à 1MHz | |||
Distance de transmission | 80 | Km | ||||
Fibre couplée | Fibre monomode | ITU-T G.653 | ||||
Remarque: -10 à 60degC avec flux d'air de 1.5 m/s
Caractéristiques optiques
Paramètre | Symbole | Min. | Typ. | Max. | Unité | Note |
Émetteur | ||||||
Moyenne Lancée Puissance | PO | -2 | 5 | DBm | Note (1) | |
Rapport d'extinction | ER | 6 | DB | |||
Longueur d'onde centrale | Λc | 1470 | 1610 | Nm | ||
Espace de longueur d'onde centrale | 20 | Nm | ||||
Bande de spectre Largeur (RMS) | Σ | 1.0 | Nm | |||
SMSR | 30 | DB | ||||
Émetteur OFF Puissance de sortie | POff | -40 | DBm | |||
TX Jitter (pic-pic) | Txj | 0.1 | UI | |||
TX Jitter (RMS) | Txjrms | 0.01 | UI | |||
Émetteur et Pénalité de dispersion | TDP | 3.0 | DB | |||
Masque pour les yeux de sortie | Conforme avec IEEE 0802.3ae | |||||
Récepteur | ||||||
Optique d'entrée Longueur d'onde | Λ | 1270 | 1610 | Nm | ||
Sensibilité du récepteur | -22 | DBm | Note (2) | |||
Saturation d'entrée Puissance (surcharge) | Psat | -8 | DBm | |||
LOS Détecter- Puissance d'affirmer | PA | -36 | DBm | |||
LOS Détecter- Puissance Deassert | PD | -23 | DBm | |||
LOS Détecter l'hystérésis | PHYS | 2 | DB | |||
Remarque:
1. La puissance lancée (avg.) est une puissance couplée en une fibre monomode avec connecteur. (Avant de la vie)
2. Mesuré avec le signal de test de conformité pour BER = 10 ^-12.@10.3125Gbps, PRBS = 2 ^ 31-1, NRZ
Caractéristiques électriques
Paramètre | Symbole | Min. | Typ. | Max. | Unité | Note | |
Émetteur | |||||||
Ligne différentielle Impédance d'entrée | RIN | 100 | Ohm | ||||
Données différentielles Balançoire d'entrée | VDT | 300 | 700 | MVp-p | |||
Transmettre Désactiver Tension | Vdis | 2 | Vcc | V | LVTTL | ||
Transmettre Enable Tension | Ven | Vee | 0.8 Vee | V | |||
Récepteur | |||||||
Données différentielles Sortie Swing | VDR | 400 | 850 | MVp-p | Note (1) | ||
Sortie LOS Tension-haute | VLOSH | Vee | 0.8 Vee | V | LVTTL | ||
Sortie LOS Tension-faible | VLOSL | 2 | VccHOST | V | |||
Remarque: Dans la terminaison différentielle 100Ω.
Broche Description

Épin | Symbole | Nom/description | Note |
1 | VEET | Terre de l'émetteur (commune avec la terre du récepteur) | 1 |
2 | TFAUT | Défaut de l'émetteur. | 2 |
3 | TDIS | Désactiver l'émetteur. Sortie laser désactivée sur haute ou ouverte. | 3 |
4 | SDA | Ligne de données d'interface série à 2 fils | 4 |
5 | SCL | Ligne d'horloge d'interface série à 2 fils | 4 |
6 | MOD_ABS | Module absent. Au sol au sein du module | 4 |
7 | RS0 | Taux Sélectionner 0 | 5 |
8 | LOS | Perte d'indication de signal. La logique 0 indique un fonctionnement normal. | 6 |
9 | RS1 | Aucune connexion requise | 1 |
10 | VEER | Récepteur au sol (commun avec la terre de l'émetteur) | 1 |
11 | VEER | Récepteur au sol (commun avec la terre de l'émetteur) | 1 |
12 | RD- | Le récepteur a inversé les données. Couplé AC | |
13 | RD | Récepteur DATA Non inversé. Couplé AC | |
14 | VEER | Récepteur au sol (commun avec la terre de l'émetteur) | 1 |
15 | VCCR | Récepteur Alimentation | |
16 | VCCT | Alimentation électrique de l'émetteur | |
17 | VEET | Terre de l'émetteur (commune avec la terre du récepteur) | 1 |
18 | TD | DONNÉES non inversées de l'émetteur dans. Couplé AC. | |
19 | TD- | L'émetteur a inversé les données dans. Couplé AC. | |
20 | VEET | Terre de l'émetteur (commune avec la terre du récepteur) | 1 |
Notes:
1. La panne TX est une sortie collecteur ouverte, qui doit être tirée vers le haut avec une résistance de 4.7k ~ 10kΩ sur la carte hôte à une tension comprise entre 2.0V et Vcc 0.3V. La logique 0 indique un fonctionnement normal; la logique 1 indique un défaut laser quelconque. Dans l'état bas, la sortie sera tirée à moins de 0.8V.
2. TX Désactiver est une entrée qui est utilisée pour arrêter la sortie optique de l'émetteur. Il est tiré vers le haut dans le module avec une résistance de 4.7k ~ 10kΩ. Ses états sont:
Faible (0 ~ 0.8V): Transmetteur sur
(>0.8V, <2.0V): Non défini
Élevé (2.0 ~ 3.3V): Transmetteur désactivé
Ouvert: Transmetteur Désactivé
3. MOD-DEF 0,1,2 est les broches de définition du module. Ils doivent être tirés vers le haut avec une résistance de 4.7k ~ 10kΩ sur la carte hôte. La tension de traction doit être VccT ou VccR.
MOD-DEF 0 est mis à la terre par le module pour indiquer que le module est présent
MOD-DEF 1 est la ligne d'horloge de l'interface série à deux fils pour l'ID série
MOD-DEF 2 est la ligne de données de l'interface série à deux fils pour l'ID série
4. LOS est une sortie collecteur ouvert, qui doit être tirée vers le haut avec une résistance de 4.7k ~ 10kΩ sur la carte hôte à une tension comprise entre 2.0V et Vcc 0.3V. La logique 0 indique un fonctionnement normal; la logique 1 indique une perte de signal. Dans l'état bas, la sortie sera tirée à moins de 0.8V.
5. ce sont la sortie du récepteur différentiel. Ce sont des lignes différentielles de 100Ω à couplage CA en interne qui doivent être terminées par 100Ω (différentiel) au niveau des SERDES utilisateurs.
6. Ce sont les entrées différentielles de l'émetteur. Ce sont des lignes différentielles couplées AC avec une terminaison différentielle de 100Ω à l'intérieur du module.
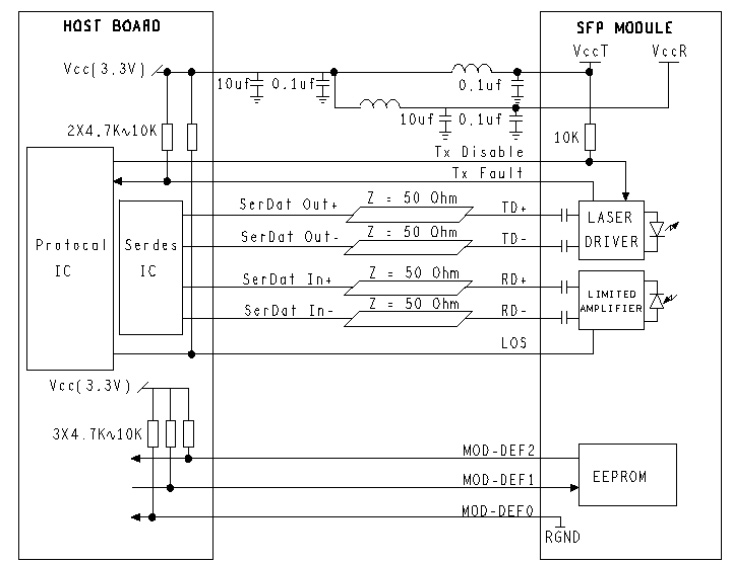
Circuit d'application recommandé
Dessins de contour (mm)
Conformité réglementaire
Caractéristique | Référence | Performance |
Électrostatique disge (ESD) | IEC/EN 61000-4-2 | Compatible avec les normes |
Interférence électromagnétique (EMI) | FCC Partie 15 Classe B EN 55022 Classe B (CISPR 22A) | Compatible avec les normes |
Sécurité des yeux laser | FDA 21CFR 1040.10, 1040.11 IEC/EN 60825-1, 2 | Produit laser de classe 1 |
Reconnaissance des composants | IEC/EN 60950, UL | Compatible avec les normes |
ROHS | 2002/95/CE | Compatible avec les normes |
EMC | EN61000-3 | Compatible avec les normes |
Application
● 10GBASE-ZR/ZW 10G Ethernet
| Date | Version | Description | Download | ||
| 2025-03-17 | Données de données _ 10G CWDM SFP 1470nm ~ 1610nm 80km_LA-OT-10GCW46-80_V2.Y | ||||
Abonnez-vous maintenant, vous pouvez vous remettre de 100 précieuses ressources et de vos livres blancs.
Suivez-nous peut également obtenir les derniers produits et informations de l'industrie dans nos e-mails membres.Apprendre les détails >>>
Appelez-nous sur:
Nous envoyer un courriel:
2106B, # 3D, Cloud Park Phase 1, Bantian, Longgang, Shenzhen, 518129, P.R.C.