Ce produit est un 400 Gb/s Quad Small Form Factor Pluggable-module optique à double densité (QSFP-DD) conçu pour des applications de communication optique de 2km.
Ce produit est un 400 Gb/s Quad Small Form Factor Pluggable-module optique à double densité (QSFP-DD) conçu pour des applications de communication optique de 2km. Le module convertit 8 canaux de données d'entrée électrique de 50Gb/s (PAM4) en 4 canaux de signaux optiques CWDM, et les multiplex en un seul canal pour une transmission optique 400 Gb/s. À l'inverse, du côté récepteur, le module démultiplexe optiquement une entrée optique de 400 Gb/s en 4 canaux de signaux optiques CWDM et les convertit en 8 canaux de 50 Gb/s (PAM4) données de sortie électrique. Les longueurs d'onde centrales des 4 canaux CWDM sont 1271, 1291, 1311 et 1331 nm en tant que membres de la grille de longueur d'onde CWDM définie dans ITU-T G.694.2. Il contient un connecteur LC duplex pour l'interface optique et un connecteur à 76 broches pour l'interface électrique. Pour minimiser la dispersion optique dans le système long-courrier, la fibre monomode (SMF) doit être appliquée dans ce module. L'hôte FEC doit prendre en charge jusqu'à 2km de transmission par fibre. Le produit est conçu avec un facteur de forme, une connexion optique/électrique et une interface de diagnostic numérique conformément à l'accord QSFP-DD multi-sources (MSA) type 2. Il a été conçu pour répondre aux conditions de fonctionnement externes les plus difficiles, y compris la température, l'humidité et les interférences EMI.
Caractéristiques
● QSFP-DD MSA conforme
● Conception MUX/DEMUX à 4 voies CWDM
● 100G Lambda MSA 400G-FR4 Spécification conforme
● Transmission jusqu'à 2km sur fibre monomode (SMF) avec FEC
● Température du boîtier de fonctionnement: 0 à 70oC
● Interface électrique 8x53.125 Gb/s (400GAUI-8)
● Taux de données 106.25Gbps (PAM4) par canal.
● Consommation de puissance maximale 12W
● Connecteur LC duplex
● RoHS conforme
Diagramme de bloc d'émetteur-récepteur

Figure 1. Diagramme du bloc émetteur-récepteur
Affectation des pin et Deion
Le brochage électrique du module QSFP-DD est illustré à la figure 2 ci-dessous.

Figure 2. Connecteur conforme MSA
Définition de la Pin
Épin | Logique | Symbole | Deion | Plug Séquence | Notes |
1 | GND | Sol | 1B | 1 | |
2 | CML-I | Tx2n | Entrée de données inversée par émetteur | 3B | |
3 | CML-I | Tx2p | Données non inverties de l'émetteur Entrée | 3B | |
4 | GND | Sol | 1B | 1 | |
5 | CML-I | Tx4n | Entrée de données inversée par émetteur | 3B | |
6 | CML-I | Tx4p | Entrée de données non inversée de l'émetteur | 3B | |
7 | GND | Sol | 1B | 1 | |
8 | LVTTL-I | ModSelL | Module Sélectionner | 3B | |
9 | LVTTL-I | Réinitialiser | Réinitialisation du module | 3B | |
10 | VccRx | Récepteur d'alimentation 3.3V | 2B | 2 | |
11 | LVCMOS- I/O | SCL | Horloge d'interface série à 2 fils | 3B | |
12 | LVCMOS- I/O | SDA | Données d'interface série à 2 fils | 3B | |
13 | GND | Sol | 1B | 1 | |
14 | CML-O | Rx3p | Sortie de données non inversée Récepteur | 3B | |
15 | CML-O | Rx3n | Sortie de données inversée Récepteur | 3B | |
16 | GND | Sol | 1B | 1 | |
17 | CML-O | Rx1p | Sortie de données non inversée Récepteur | 3B | |
18 | CML-O | Rx1n | Sortie de données inversée Récepteur | 3B | |
19 | GND | Sol | 1B | 1 | |
20 | GND | Sol | 1B | 1 | |
21 | CML-O | Rx2n | Sortie de données inversée Récepteur | 3B | |
22 | CML-O | Rx2p | Sortie de données non inversée Récepteur | 3B | |
23 | GND | Sol | 1B | 1 | |
24 | CML-O | Rx4n | Sortie de données inversée Récepteur | 3B | |
25 | CML-O | Rx4p | Sortie de données non inversée Récepteur | 3B | |
26 | GND | Sol | 1B | 1 | |
27 | LVTTL-O | ModPrsL | Module présent | 3B | |
28 | LVTTL-O | IntL | Interrompre | 3B | |
29 | VccTx | Transmetteur d'alimentation 3.3V | 2B | 2 | |
30 | Vcc1 | Alimentation électrique 3.3V | 2B | 2 | |
31 | LVTTL-I | InitMode | Mode d'initialisation; Dans l'héritage QSFP Applications, le pad InitMode s'appelle LPMODE | 3B | |
32 | GND | Sol | 1B | 1 | |
33 | CML-I | Tx3p | Données non inverties de l'émetteur Entrée | 3B | |
34 | CML-I | Tx3n | Entrée de données inversée par émetteur | 3B | |
35 | GND | Sol | 1B | 1 | |
36 | CML-I | Tx1p | Données non inverties de l'émetteur Entrée | 3B | |
37 | CML-I | Tx1n | Entrée de données inversée par émetteur | 3B | |
38 | GND | Sol | 1B | 1 | |
39 | GND | Sol | 1A | 1 | |
40 | CML-I | Tx6n | Entrée de données inversée par émetteur | 3A | |
41 | CML-I | Tx6p | Données non inverties de l'émetteur Entrée | 3A | |
42 | GND | Sol | 1A | 1 | |
43 | CML-I | Tx8n | Entrée de données inversée par émetteur | 3A | |
44 | CML-I | Tx8p | Données non inverties de l'émetteur Entrée | 3A | |
45 | GND | Sol | 1A | 1 | |
46 | Réservé | Pour une utilisation future | 3A | 3 | |
47 | VS1 | Module fournisseur spécifique 1 | 3A | 3 | |
48 | VccRx1 | Alimentation électrique 3.3V | 2A | 2 | |
49 | VS2 | Module fournisseur spécifique 2 | 3A | 3 | |
50 | VS3 | Module fournisseur spécifique 3 | 3A | 3 | |
51 | GND | Sol | 1A | 1 | |
52 | CML-O | Rx7p | Sortie de données non inversée Récepteur | 3A | |
53 | CML-O | Rx7n | Sortie de données inversée Récepteur | 3A | |
54 | GND | Sol | 1A | 1 | |
55 | CML-O | Rx5p | Sortie de données non inversée Récepteur | 3A | |
56 | CML-O | Rx5n | Sortie de données inversée Récepteur | 3A | |
57 | GND | Sol | 1A | 1 | |
58 | GND | Sol | 1A | 1 | |
59 | CML-O | Rx6n | Sortie de données inversée Récepteur | 3A | |
60 | CML-O | Rx6p | Sortie de données non inversée Récepteur | 3A | |
61 | GND | Sol | 1A | 1 | |
62 | CML-O | Rx8n | Sortie de données inversée Récepteur | 3A | |
63 | CML-O | Rx8p | Sortie de données non inversée Récepteur | 3A | |
64 | GND | Sol | 1A | 1 | |
65 | NC | Pas de connexion | 3A | 3 | |
66 | Réservé | Pour une utilisation future | 3A | 3 | |
67 | VccTx1 | Alimentation électrique 3.3V | 2A | 2 | |
68 | Vcc2 | Alimentation électrique 3.3V | 2A | 2 | |
69 | Réservé | Pour une utilisation future | 3A | 3 | |
70 | GND | Sol | 1A | 1 | |
71 | CML-I | Tx7p | Entrée de données non inversée de l'émetteur | 3A | |
72 | CML-I | Tx7n | Entrée de données inversée par émetteur | 3A | |
73 | GND | Sol | 1A | 1 | |
74 | CML-I | Tx5p | Entrée de données non inversée de l'émetteur | 3A | |
75 | CML-I | Tx5n | Entrée de données inversée par émetteur | 3A | |
76 | GND | Sol | 1A | 1 |
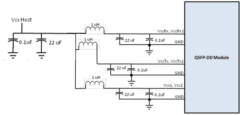
Filtre d'alimentation recommandé
Figure 3. Filtre d'alimentation recommandé
Évaluations maximales absolues
Il faut noter que le fonctionnement au-delà de toute valeur nominale maximale absolue individuelle pourrait causer des dommages permanents à ce module.
Conditions de fonctionnement recommandées et exigences en matière d'alimentation
Paramètre | Symbole | Min | Typique | Max | Unités | Notes |
Boîtier de fonctionnement Température | TOP | 0 | 70 | DegC | ||
Alimentation électrique Tension | VCC | 3.135 | 3.3 | 3.465 | V | |
Taux de données, chaque voie | 26.5625 | GBd | PAM4 | |||
Précision du taux de données | -100 | 100 | Ppm | |||
Ratio d'erreur pré-FEC Bit | 2,4x10-4 | |||||
Ratio d'erreur post-FEC | 1x10-12 | 1 | ||||
Lien Distance | D | 0.002 | 2 | Km | 2 |
Notes:
1. FEC fourni par le système hôte.
2. FEC requis sur le système hôte pour prendre en charge la distance maximale.
Caractéristiques électriques
Les actériques électriques suivantes sont définies par rapport à l'environnement d'exploitation recommandé, sauf indication contraire.
Paramètre | Test Point | Min | Typique | Max | Unités | Notes | |||||||
Consommation de puissance | 12 | W | |||||||||||
Courant d'approvisionnement | Icc | 3.63 | A | ||||||||||
Émetteur (chaque voie) | |||||||||||||
Taux de signalisation, chaque voie | TP1 | 26.5625 ± 100 ppm | GBd | ||||||||||
Différentiel Pk-pk Entrée Tension Tolérance | TP1a | 900 | MVpp | 1 | |||||||||
Différentiel Résiliation Inadéquation | TP1 | 10 | % | ||||||||||
Différentiel Entrée Retour Perte | TP1 | 802.3 IEEE- 2015 Équation (83E-5) | DB | ||||||||||
Différentiel à Commun Mode D'entrée Perte de retour | TP1 | 802.3 IEEE- 2015 Équation (83E-6) | DB | ||||||||||
Module Stressé Test d'entrée | TP1a | Voir IEEE 802.3bs 120E.3.4.1 | 2 | ||||||||||
À une seule fin Tension Tolérance Gamme (Min) | TP1a | -0.4 à 3.3 | V | ||||||||||
DC commun Mode D'entrée Tension | TP1 | -350 | 2850 | MV | 3 | ||||||||
Récepteur (Chaque Lane) | |||||||||||||
Taux de signalisation, Chaque voie | TP4 | 26.5625 ± 100 ppm | GBd | ||||||||||
Différentiel Pic à pic Sortie Tension | TP4 | 900 | MVpp | ||||||||||
AC Commun Mode de sortie Tension, RMS | TP4 | 17.5 | MV | ||||||||||
Différentiel Résiliation Inadéquation | TP4 | 10 | % | ||||||||||
Différentiel Sortie Perte de retour | TP4 | 802.3 IEEE- 2015 Équation (83E-2) | |||||||||||
Commun à Différentiel Mode de conversion Perte de retour | TP4 | 802.3 IEEE- 2015 Équation (83E-3) | |||||||||||
Temps de transition, 20% à 80% | TP4 | 9.5 | Ps | ||||||||||
Proche-fin Symétrie des yeux Masque Largeur (ESMW) | TP4 | 0.265 | UI | ||||||||||
Proche-fin Hauteur des yeux, Différentiel | TP4 | 70 | MV | ||||||||||
Extrême-end Symétrie des yeux Masque Largeur (ESMW) | TP4 | 0.2 | UI | ||||||||||
Extrême-end Hauteur des yeux, Différentiel | TP4 | 30 | MV | ||||||||||
Extrême-end Pré-curseur Ratio ISI | TP4 | -4.5 | 2.5 | % | |||||||||
Commun Mode de sortie Tension (Vcm) | TP4 | -350 | 2850 | MV | 3 | ||||||||
Notes:
1. À l'exception de l'IEEE 802.3bs 120E.3.1.2, le motif est PRBS31Q ou ralenti brouillé.
2. Répond au BER spécifié dans l'IEEE 802.3bs 120E.1.1.
3. DC tension de mode commun généré par l'hôte. La spécification comprend les effets de la tension de décalage de terre.
Caractéristiques optiques
Paramètre | Symbole | Min | Typique | Max | Unités | Notes | |||||||
Affectation de longueur d'onde | L0 | 1264.5 | 1271 | 1277.5 | Nm | ||||||||
L1 | 1284.5 | 1291 | 1297.5 | Nm | |||||||||
L2 | 1304.5 | 1311 | 1317.5 | Nm | |||||||||
L3 | 1324.5 | 1331 | 1337.5 | Nm | |||||||||
Émetteur | |||||||||||||
Taux de données, chaque voie | 53.125 ± 100 ppm | GBd | |||||||||||
Format de modulation | PAM4 | ||||||||||||
Côté-mode Rapport de suppression | SMSR | 30 | DB | ||||||||||
Moyenne totale Puissance de lancement | PT | 9.3 | DBm | ||||||||||
Lancement moyen Puissance, chaque Lane | PAVG | -3.3 | 3.5 | DBm | 1 | ||||||||
Optique externe Modulation Amplitude (OMAouter), Chaque Lane | POMA | -0.3 | 3.7 | DBm | 2 | ||||||||
Lancement de la puissance dans OMAouter moins TDECQ, chaque voie Pour ER ≥ 4,5 dB Pour ER < 4.5dB | -1.7 -1.6 | DB | |||||||||||
Émetteur et Dispersion Oeil Fermeture pour PAM4, Chaque Lane | TDECQ | 3.4 | DB | ||||||||||
TDECQ - 10 * log10(Ceq), Chaque Lane | 3.4 | DB | 3 | ||||||||||
Rapport d'extinction | ER | 3.5 | DB | ||||||||||
Différence dans Puissance de lancement Entre tout Deux voies (OMAouter) | 4 | DB | |||||||||||
RIN17.1OMA | RIN | -136 | DB/Hz | ||||||||||
Retour optique Tolérance de perte | TOL | 17.1 | DB | ||||||||||
Réflectance de l'émetteur | RT | -26 | DB | ||||||||||
Transition de l'émetteur Temps | 17 | Ps | |||||||||||
Lancement moyen Puissance de l'OFF Émetteur, Chaque Lane | Poff | -20 | DBm | ||||||||||
Récepteur | |||||||||||||
Taux de données, Chaque Lane | 53.125 ± 100 ppm | GBd | |||||||||||
Format de modulation | PAM4 | ||||||||||||
Seuil de dommages, Chaque Lane | THd | 4.5 | DBm | 4 | |||||||||
Puissance moyenne de réception, Chaque Lane | -7.3 | 3.5 | DBm | 5 | |||||||||
Recevoir la puissance (OMAouter), Chaque Lane | 3.7 | DBm | |||||||||||
Différence dans Puissance du récepteur Entre tout Deux voies (OMAouter) | 4.1 | DB | |||||||||||
Récepteur Sensibilité (OMAouter), Chaque Lane | SEN | Équation (1) | DBm | 6 | |||||||||
Récepteur stressé Sensibilité (OMAouter), Chaque Lane | SRS | -2.6 | DBm | 7 | |||||||||
Réflectance Récepteur | RR | -26 | DB | ||||||||||
LOS Assert | LOSA | -20 | DBm | ||||||||||
LOS De-affirmer | LOSD | -10.3 | DBm | ||||||||||
LOS Hystérésis | LOSH | 0.5 | DB | ||||||||||
Conditions stressées Pour récepteur de stress Sensibilité (note 8) | |||||||||||||
Oeil stressé Fermeture pour PAM4 (SECQ), Lane sous test | 3.4 | DB | |||||||||||
SECQ - 10 * log10(Ceq), Lane sous test | 3.4 | DB | |||||||||||
OMAouter de Chaque voie de l'aggresseur | 1.5 | DBm | |||||||||||
Format de modulation | PAM4 | ||||||||||||
Notes: 1. Puissance de lancement moyenne, chaque voie (min) est informative et non le principal indicateur de la force du signal. Un émetteur dont la puissance de lancement est inférieure à cette valeur ne peut pas être conforme; cependant, une valeur supérieure à cela ne garantit pas la conformité. 2. Même si le TDECQ < 1.4 dB pour un rapport d'extinction de ≥ 4.5 dB ou TDECQ < 1.3 dB pour un rapport d'extinction de <4.5 dB, l'OMAouter (min) doit dépasser la valeur minimale spécifiée ici. 3. Ceq est un coefficient défini dans la clause IEEE Std 802.3-2018 121.8.5.3 qui tient compte de l'amélioration du bruit de l'égaliseur de référence. 4. Puissance de réception moyenne, chaque voie (min) est informative et non le principal indicateur de la force du signal. Une puissance reçue inférieure à cette valeur ne peut pas être conforme; cependant, une valeur supérieure à cela ne garantit pas la conformité. 5. Le récepteur doit être capable de tolérer, sans dommage, une exposition continue à un signal d'entrée optique ayant ce niveau de puissance moyen. 6. La sensibilité du récepteur (OMAouter) est informative et est définie pour un émetteur avec une valeur de SECQ jusqu'à 3.4 dB. La sensibilité du récepteur doit répondre à l'équation (1), illustrée à la figure 4. Où: RS est la sensibilité du récepteur, et SECQ est le SECQ de l'émetteur utilisé pour mesurer la sensibilité du récepteur. 7. Mesuré avec le signal de test de conformité à TP3 pour le BER égal à 2,4x10-4. | |||||||||||||
Fonctions diagnostiques numériques
Les actéries de diagnostic numériques suivantes sont définies sur les conditions de fonctionnement normales, sauf indication contraire.
Paramètre | Symbole | Min | Max | Unités | Notes |
Moniteur de température Erreur absolue | DMI_Temp | -3 | 3 | DegC | Au-dessus de la plage de température de fonctionnement |
Tension d'alimentation Moniteur Erreur absolue | DMI _ VCC | -0.1 | 0.1 | V | Plus de fonctionnement complet Gamme |
Canal RX Moniteur de puissance Erreur absolue | DMI_RX_Ch | -2 | 2 | DB | 1 |
Courant de biais de canal Moniteur | DMI_Ibias_Ch | -10% | 10% | MA | |
Canal TX Moniteur de puissance Erreur absolue | DMI_TX_Ch | -2 | 2 | DB | 1 |
Notes:
1. En raison de la précision de mesure des différentes fibres monomodes, il peut y avoir une fluctuation supplémentaire de +/-1 dB, ou une précision totale de +/- 3 dB.
Dessin de contour (mm)

Applications
● Interconnexion du centre de données
● 400G Ethernet
● Interconnexions Infiniband
● Mise en réseau d'entreprise
| Date | Version | Description | Download | ||
| 2025-03-17 | Datasheet _ 400G QSFP-DD FR4 1310nm 2km _ LA-OT-400G-FR4 | ||||
Abonnez-vous maintenant, vous pouvez vous remettre de 100 précieuses ressources et de vos livres blancs.
Suivez-nous peut également obtenir les derniers produits et informations de l'industrie dans nos e-mails membres.Apprendre les détails >>>
Appelez-nous sur:
Nous envoyer un courriel:
2106B, # 3D, Cloud Park Phase 1, Bantian, Longgang, Shenzhen, 518129, P.R.C.