Les émetteurs-récepteurs SFP -10GBASE-T Copper Small Form Pluggable (SFP) sont basés sur le SFP Multi Source Agreement (MSA).
Les émetteurs-récepteurs SFP -10GBASE-T Copper Small Form Pluggable (SFP) sont basés sur le SFP Multi Source Agreement (MSA). Ils sont compatibles avec les normes 10Gbase-T / 5Gbase-T / 2.5 Gbase-T / 1000base-T comme spécifié dans IEEE Std 802.3. SFP -10GBASE-T utilise la broche RX_LOS (doit être tirée vers le haut sur l'hôte) du SFP pour l'indication du lien. Si vous tirez vers le haut ou ouvrez la broche TX_DISABLE de SFP, PHY IC doit être réinitialisé.
Caractéristiques
● Soutien 10Gbase-T / 5Gbase-T / 2.5 Gbase-T / 1000base-T
● Empreinte SFP branchable à chaud
● Assemblage de connecteur RJ-45 compact
● RoHS conforme et sans plomb
● Alimentation unique 3.3V
● 10 Gigabit Ethernet sur câble Cat 6a
● Température de fonctionnement ambiante: 0 ° C à 65 ° C
Câble Longueur
Norme | Câble | Atteindre | Port hôte |
10Gbase-T | CAT6A | 30m | SFI |
5Gbase-T/2.5 Gbase-t | CAT5E | 50m | 5GBase-R/2.5GBase-X |
1000base-T | CAT5E | 100m | 1000base-FX |
Épin | Symbole | Nom/description | Réf. |
1 | VEET | Terre de l'émetteur (commune avec la terre du récepteur) | 1 |
2 | TFAUT | Défaut de l'émetteur. Pas pris en charge. | |
3 | TDIS | Désactiver l'émetteur. Sortie laser désactivée sur haute ou ouverte. | 2 |
4 | MOD_DEF (2) | Ligne de données pour l'identifiant série. Définition du module 2. | 3 |
5 | MOD_DEF (1) | Module Définition 1. Ligne d'horloge pour Serial ID. | 3 |
6 | MOD_DEF (0) | Module Définition 0. Mise à la terre dans le module. | 3 |
7 | Taux Sélectionner | Aucune connexion requise | |
8 | LOS | L'élevé n'indique aucun lien. Faible indique lié. | 4 |
9 | VEER | Récepteur au sol (commun avec la terre de l'émetteur) | 1 |
10 | VEER | Récepteur au sol (commun avec la terre de l'émetteur) | 1 |
11 | VEER | Récepteur au sol (commun avec la terre de l'émetteur) | 1 |
12 | RD- | Le récepteur a inversé les données. Couplé AC | |
13 | RD | Récepteur DATA Non inversé. Couplé AC | |
14 | VEER | Récepteur au sol (commun avec la terre de l'émetteur) | 1 |
15 | VCCR | Récepteur Alimentation | |
16 | VCCT | Alimentation électrique de l'émetteur | |
17 | VEET | Terre de l'émetteur (commune avec la terre du récepteur) | 1 |
18 | TD | DONNÉES non inversées de l'émetteur dans. Couplé AC. | |
19 | TD- | L'émetteur a inversé les données dans. Couplé AC. | |
20 | VEET | Terre de l'émetteur (commune avec la terre du récepteur) | 1 |
SFP pour héberger la goupille du connecteur
Notes:
1. la terre du circuit est connectée à la terre du châssis
2. PHY désactivé sur TDIS > 2.0V ou ouvert, activé sur TDIS < 0.8V
3. Doit être tiré vers le haut avec 4.7k - 10k Ohms sur la carte hôte à une tension entre 2.0 V et 3.6 V. MOD_DEF (0) tire la ligne vers le bas pour indiquer que le module est branché.
4. LVTTL compatible avec une tension maximale de 2.5V.
Figure 1. Diagramme des numéros et des noms de broches de bloc de connecteur de carte hôte
Interface de puissance électrique + 3.3V Volt
Le SFP +-10GBASE-T a une plage de tension d'entrée de 3.3 V +/- 5%. La tension maximale 4V n'est pas autorisée pour un fonctionnement continu.
Interface de puissance électrique + 3.3 volt | ||||||
Paramètre | Symbole | Min | Type | Max | Unité | Notes/Conditions |
Courant d'approvisionnement | Est | 700 | 900 | MA | 3.0W puissance max au-dessus Gamme complète de tension Et la température. Voir la note d'avertissement ci-dessous | |
Tension d'entrée | Vcc | 3.13 | 3.3 | 3.47 | V | Référencé à GND |
Tension maximale | Vmax | 4 | V | |||
Courant de surtension | Isurge | À déterminer | MA | Prise chaude au-dessus de l'état stationnaire Courant. Voir la note de prudence Ci-dessous | ||
Attention: La consommation d'énergie et le courant de surtension sont plus élevés que les valeurs spécifiées dans le SFP MSA
Signaux à basse vitesse
MOD_DEF (1) (SCL) et MOD_DEF (2) (SDA), sont des signaux CMOS à drain ouvert (voir section VII, "Serial Communication Protocol"). MOD_DEF (1) et MOD_DEF (2) doivent être tirés jusqu'à host_Vcc
Signaux à basse vitesse, caractéristiques électroniques | |||||
Paramètre | Symbole | Min | Max | Unité | Notes/Conditions |
Sortie SFP FAIBLE | VOL | 0 | 0.5 | V | 4.7k à 10k pull-up jusqu'à host_Vcc, Mesuré au côté hôte du connecteur |
Sortie SFP ÉLEVÉE | VOH | Host_Vcc-0.5 | Host_Vcc + 0.3 | V | 4.7k à 10k pull-up jusqu'à host_Vcc, Mesuré au côté hôte du connecteur |
Entrée SFP FAIBLE | VIL | 0 | 0.8 | V | 4.7k à 10k pull-up jusqu'à Vcc, Mesuré au côté SFP du connecteur |
Entrée SFP ÉLEVÉE | VIH | 2 | Vcc + 0.3 | V | 4.7k à 10k pull-up jusqu'à Vcc, Mesuré au côté SFP du connecteur |
Interface électrique à grande vitesse
Tous les signaux à grande vitesse sont couplés AC en interne.
Interface électrique à grande vitesse, ligne de transmission-SFP | ||||||||||||
Paramètre | Symbole | Min | Typ | Max | Unité | Notes/Conditions | ||||||
Fréquence de ligne | FL | 125 | MHz | Encodage à 5 niveaux, par 802.3 IEEE | ||||||||
Tx Sortie Impédance | Zout,TX | 100 | Ohm | Différentiel, pour tous Fréquences entre 1MHz et 125MHz | ||||||||
Rx Entrée Impédance | Zin,RX | 100 | Ohm | Différentiel, pour tous Fréquences entre 1MHz et 125MHz | ||||||||
Interface électrique à grande vitesse, Hôte-SFP | ||||||||||||
Paramètre | Symbole | Min | Typ | Max | Unité | Notes/Conditions | ||||||
Entrée de données à une seule fin Balançoire | Vinsing | 250 | 1200 | MV | Célibataire terminé | |||||||
Sortie de données à fin unique Balançoire | Voutsing | 350 | 800 | MV | Célibataire terminé | |||||||
Temps de hausse/d'automne | Tr, Tf | 175 | Psec | 20%-80% | ||||||||
Impédance d'entrée Tx | Zin | 50 | Ohm | Célibataire terminé | ||||||||
Rx Impédance de sortie | Zout | 50 | Ohm | Célibataire terminé | ||||||||
Spécifications générales
Général | ||||||
Paramètre | Symbole | Min | Typ | Max | Unité | Notes/Conditions |
Taux de données | BR | 1 | 10 | Gb/sec | IEEE 802.3 compatible. Voir les notes 1,2 ci-dessous | |
Notes:
1. La tolérance d'horloge est de/- 50 ppm
INFORMATIONS EEPROM (A0)
Addr | Taille du champ (Octets) | Nom du champ | HEX | Description |
0 | 1 | Identifiant | 03 | SFP |
1 | 1 | Ext. Identifiant | 04 | MOD4 |
2 | 1 | Connecteur | 07 | LC |
3-10 | 8 | Émetteur-récepteur | 10 00 00 00 00 00 00 00 00 00 | Code de l'émetteur |
11 | 1 | Encodage | 06 | 64B66B |
12 | 1 | BR, nominal | 67 | 1000M bps |
13 | 1 | Réservé | 00 | |
14 | 1 | Longueur (9um)-km | 00 | |
15 | 1 | Longueur (9um) | 00 | |
16 | 1 | Longueur (50um) | 08 | |
17 | 1 | Longueur (62.5um) | 02 | |
18 | 1 | Longueur (cuivre) | 00 | |
19 | 1 | Réservé | 00 | |
20-35 | 16 | Nom du vendeur | 57 49 4E 54 4F 50 20 20 20 20 20 20 20 20 20 20 20 | |
36 | 1 | Réservé | 00 | |
37-39 | 3 | Vendeur OUI | 00 00 00 00 | |
40-55 | 16 | Vendeur PN | Xx xx xx xx xx xx xx xx xx xx Xx xx xx xx xx xx xx xx xx xx | ASC II |
56-59 | 4 | Vendeur rev | 31 2E 30 20 | V1.0 |
60-61 | 2 | Longueur d'onde | 03 52 | 850nm |
62 | 1 | Réservé | 00 | |
63 | 1 | BASE CC | XX | Vérifiez la somme de l'octet 0 ~ 62 |
64-65 | 2 | Options | 00 1A | LOS, TX_DISPONIBLE, TX_FAULT |
66 | 1 | BR, max | 00 | |
67 | 1 | BR, min | 00 | |
68-83 | 16 | Vendeur SN | 00 00 00 00 00 00 00 00 00 00 00 00 00 00 00 00 00 00 | Non spécifié |
84-91 | 8 | Code de date du vendeur | XX XX XX 20 | Année, mois, jour |
92-94 | 3 | Réservé | 00 | |
95 | 1 | CC_EXT | XX | Vérifier la somme de l'octet 64 ~ 94 |
96-255 | 160 | Fournisseur spécifique |
INFORMATION EEPROM (A2) facultative

Spécifications environnementales
La détection de croisement automatique est activée. Le câble croisé externe n'est pas requis
Spécifications environnementales | ||||||
Paramètre | Symbole | Min | Typ | Max | Unité | Notes/Conditions |
Température de fonctionnement | Haut | 0 | 65 | °C | Température du boîtier | |
Température de stockage | Tsco | -40 | 85 | °C | Température ambiante | |
Protocole de communication en série
Chronométrage des bus en série, exigences | ||||||
Paramètre | Symbole | Min | Typ | Max | Unité | Notes/Conditions |
Taux d'horloge I 2C | 0 | 200,000 | Hz | |||
Tous les SFP prennent en charge le protocole de communication série à 2 fils décrit dans le SFP MSA. Ces SFP utilisent un MCU, accessible avec l'adresse A0h.
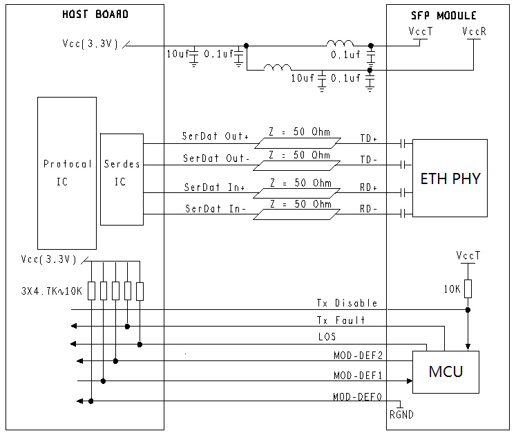
Circuit d'application recommandé

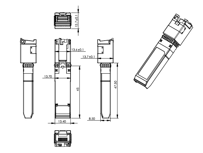
Dessin de contour (mm)
| Date | Version | Description | Download | ||
| 2025-03-17 | Données de données _ 10G SFP Cuivre Transceiver_LA-OT-10GT-RJ | ||||
Abonnez-vous maintenant, vous pouvez vous remettre de 100 précieuses ressources et de vos livres blancs.
Suivez-nous peut également obtenir les derniers produits et informations de l'industrie dans nos e-mails membres.Apprendre les détails >>>
Appelez-nous sur:
Nous envoyer un courriel:
2106B, # 3D, Cloud Park Phase 1, Bantian, Longgang, Shenzhen, 518129, P.R.C.