Pack SFP avec connecteur LC, photodétecteur laser DML CWDM DFB et PIN-TIA, transmission jusqu'à 10km sur SMF, jusqu'à 11.3Gbps Liens de données.
Caractéristiques
● Paquet SFP avec connecteur LC
● Photodétecteur laser et PIN-TIA DML CWDM DFB
● Transmission jusqu'à 10km sur SMF
● Liens de données jusqu'à 11.3Gbps
● Alimentation unique 3.3V
● Dissipation de puissance <1.5W
● Interface à 2 fils avec surveillance diagnostique numérique intégrée
● Faible EMI et excellente protection ESD
● Norme de sécurité aser IEC-60825 conforme
● Compatible avec RoHS
● Conforme avec SFF-8472 SFP MSA
● Conforme aux SFF-8431 et SFF-8432 SFP
Évaluations maximales absolues
Paramètre | Symbole | Minimum | Maximum | Unités |
Température de stockage | Tst | -40 | + 85 | °C |
Tension d'alimentation | Vcc | -0.3 | + 3.5 | V |
Humidité relative de fonctionnement | RH | 5 | 95 | % |
Environnement d'opération
Paramètre | Symbole | Min | Typique | Max | Unités |
Tension d'alimentation | Vcc | 3.15 | 3.3 | 3.45 | V |
Boîtier de fonctionnement Température | Tc | 0 | + 70 | °C | |
Dissipation de puissance | 1.5 | W | |||
Taux de données | 10.3125 | Gbps |
Caractéristiques optiques
Paramètre | Symbole | Min. | Typ. | Max. | Unités |
Section de l'émetteur | |||||
Longueur d'onde centrale | Lo | 1270 | 1610 | Nm | |
Largeur spectrale (-20dB) | Dl | 1 | Nm | ||
Puissance de sortie moyenne | Po | -3 | 5 | DBm | |
Rapport d'extinction | Er | 3.5 | DB | ||
Côté-Mode Rapport de suppression | SMSR | 35 | DB | ||
Jitter total | Tj | IEEE 802.3ae | |||
Section du récepteur | |||||
Longueur d'onde centrale | Lo | 1270 | 1330 | 1610 | Nm |
Sensibilité du récepteur | Rsen | -13 | DBm | ||
Surcharge du récepteur | Rov | 0 | DBm | ||
Perte de retour | 12 | DB | |||
LOS Assert | LOSA | -28 | DBm | ||
Dessert LOS | LOSD | -14 | DBm | ||
LOS Hystérésis | 0.5 | 4 | |||
Caractéristiques électriques
Paramètre | Symbole | Min. | Typ. | Max. | Unité | |
Section de l'émetteur | ||||||
Différentiel d'entrée Impendance | Zin | 90 | 100 | 110 | Ohm | |
Swing d'entrée de données Différentiel | Vin | 180 | 700 | MV | ||
TX Désactiver | Désactiver | 2.0 | Vcc | V | ||
Permettre | -0.3 | 0.8 | V | |||
Faute TX | Assert | 2.4 | Vcc | V | ||
Deassert | -0.3 | 0.8 | V | |||
Section du récepteur | ||||||
Différentiel de sortie Impendance | Zout | 80 | 100 | 120 | Ohm | |
Swing d'entrée de données Différentiel | Vout | 300 | 850 | MV | ||
Rx_LOS | Assert | 2.0 | Vcc | V | ||
Deassert | -0.3 | 0.4 | V | |||
Diagnostics
Paramètre | Gamme | Précision | Unité | Étalonnage |
Température | 0 ~ 70 | ± 5 | °C | Interne |
Tension | 3.15 ~ 3.45 | ± 0.1 | V | Interne |
Courant partial | 10 ~ 80 | ± 2 | MA | Interne |
Puissance Tx | -5 ~ 5 | ± 2 | DBm | Interne |
Puissance Rx | -16 ~ -3 | ± 3 | DBm | Interne |
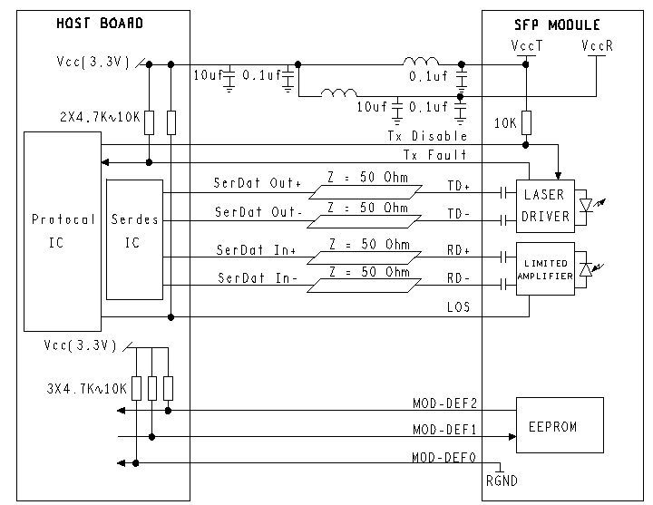
Broche Description

Épilles | Nom | Description | NOTE |
1 | VeeT | Émetteur au sol | |
2 | Défaut Tx | Indication de défaut de l'émetteur | 1 |
3 | Tx Désactiver | Désactiver l'émetteur | 2 |
4 | MOD DEF2 | Module Définition 2 | 3 |
5 | MOD DEF1 | Module Définition 1 | 3 |
6 | MOD DEF0 | Module Définition 0 | 3 |
7 | RS0 | Non connecté | |
8 | LOS | Perte de signal | 4 |
9 | RS1 | Non connecté | |
10 | VeeR | Récepteur au sol | |
11 | VeeR | Récepteur au sol | |
12 | RD- | Inv. Sortie de données reçue | 5 |
13 | RD | Sortie de données iReçu | 5 |
14 | VeeR | Récepteur au sol | |
15 | VccR | Puissance du récepteur | |
16 | VccT | Puissance de l'émetteur | |
17 | VeeT | Émetteur au sol | |
18 | TD | Transmettre l'entrée de données | 6 |
19 | TD- | Inv. Transmettre l'entrée de données | 6 |
20 | VeeT | Émetteur au sol |
Notes:
1. La panne TX est une sortie collecteur ouverte, qui doit être tirée vers le haut avec une résistance de 4.7k ~ 10kΩ sur la carte hôte à une tension comprise entre 2.0V et Vcc 0.3V. La logique 0 indique un fonctionnement normal; la logique 1 indique un défaut laser quelconque. Dans l'état bas, la sortie sera tirée à moins de 0.8V.
2. TX Désactiver est une entrée qui est utilisée pour arrêter la sortie optique de l'émetteur. Il est tiré vers le haut dans le module avec une résistance de 4.7k ~ 10kΩ. Ses états sont:
Faible (0 ~ 0.8V): Transmetteur sur
(>0.8V, <2.0V): Non défini
Élevé (2.0 ~ 3.3V): Transmetteur désactivé
Ouvert: Transmetteur Désactivé
3. MOD-DEF 0,1,2 est les broches de définition du module. Ils doivent être tirés vers le haut avec une résistance de 4.7k ~ 10kΩ sur la carte hôte. La tension de traction doit être VccT ou VccR.
MOD-DEF 0 est mis à la terre par le module pour indiquer que le module est présent
MOD-DEF 1 est la ligne d'horloge de l'interface série à deux fils pour l'ID série
MOD-DEF 2 est la ligne de données de l'interface série à deux fils pour l'ID série
4. LOS est une sortie collecteur ouvert, qui doit être tirée vers le haut avec une résistance de 4.7k ~ 10kΩ sur la carte hôte à une tension comprise entre 2.0V et Vcc 0.3V. La logique 0 indique un fonctionnement normal; la logique 1 indique une perte de signal. Dans l'état bas, la sortie sera tirée à moins de 0.8V.
5. ce sont la sortie du récepteur différentiel. Ce sont des lignes différentielles de 100Ω à couplage CA en interne qui doivent être terminées par 100Ω (différentiel) au niveau des SERDES utilisateurs.
6. Ce sont les entrées différentielles de l'émetteur. Ce sont des lignes différentielles couplées AC avec une terminaison différentielle de 100Ω à l'intérieur du module.
Circuit d'application recommandé

Dessins de contour (mm)

Application
● Ethernet
● Télécom
● Fiber Channel
| Date | Version | Description | Download | ||
| 2025-03-17 | Données de données _ 10G CWDM SFP 1270nm ~ 1610nm 10km_LA-OT-10GCW26-10_V2.Y | ||||
Abonnez-vous maintenant, vous pouvez vous remettre de 100 précieuses ressources et de vos livres blancs.
Suivez-nous peut également obtenir les derniers produits et informations de l'industrie dans nos e-mails membres.Apprendre les détails >>>
Appelez-nous sur:
Nous envoyer un courriel:
2106B, # 3D, Cloud Park Phase 1, Bantian, Longgang, Shenzhen, 518129, P.R.C.