Jusqu'à 28Gbps de débit de données par canal, 8 émetteurs et récepteurs de canaux duplex, réseau VCSEL intégré de 850nm et réseau PD, interface optique de prise de connecteur simple MPO24 conforme.
Caractéristiques
● Jusqu'à 28Gbps débit de données par canal
● Émetteurs et récepteurs 8 canaux duplex
● Réseau VCSEL intégré 850nm et tableau PD
● Interface optique de prise de connecteur MPO24 unique conforme
● Alimentation unique 3.3V
● Fonction DDM implémentée
● Facteur de forme QSFP-DD branchable à chaud
● Longueur de liaison maximale de 100m sur la fibre MPO OM4 (MMF) à 24 cœurs
● Dissipation de puissance:<4.5W
● Sécurité laser de classe 1 internationale certifiée
● Plage de température de fonctionnement: 0 ℃ ~ 70 ℃
● Conforme à ROHS10
Évaluations maximales absolues
Paramètres | Symbole | Unité | Min | Max |
Plage de température de stockage | Ts | ℃ | -40 | 85 |
Humidité relative | RH | % | 5 | 95 |
Tension d'alimentation | Vcc | V | -0.5 | + 3.6 |
Conditions de fonctionnement recommandées
Paramètres | Symbole | Unité | Min. | Typique | Max |
Boîtier de fonctionnement Plage de température | Tc | ℃ | 0 | 70 | |
Tension d'alimentation | Vcc | V | 3.14 | 3.3 | 3.46 |
Taux de bit NRZ (par canal) | BR | Gbps | 25.78 |
Caractéristiques optiques
Paramètres | Symbole | Unité | Min. | Typique | Max | Note | |
Émetteur (par voie) | |||||||
Vitesse de signalisation par voie | Gbps | 25.78125 | NRZ | ||||
Longueur d'onde du centre | Nm | 840 | 850 | 860 | |||
Largeur spectrale RMS | SW | Nm | 0.6 | ||||
Lancement moyen Puissance par voie | TXPx | DBm | -8.4 | 2.4 | |||
Tx OMA par voie | TxOMA | DBm | -6.4 | 3 | |||
Différence de puissance Entre Toute voie à deux (OMA) | DPx | DBm | 4 | ||||
Puissance de lancement moyenne De l'émetteur off Par voie | DBm | -30 | |||||
Émetteur et Dispersion oculaire Fermeture par voie | TDEC | DB | 4.3 | ||||
Puissance de lancement dans OMA moins TDEC | DBm | -7.3 | |||||
Extinction optique Ratio | ER | DB | 2 | ||||
Retour optique Tolérance de perte | ORL | DB | 12 | ||||
Flux encerclé | FLX | DBm | > 86% à 19um | ||||
<30% à 4.5um | |||||||
Bruit d'intensité relative | RIN | DB/Hz | RIN | ||||
Récepteur (par voie) | |||||||
Vitesse de signalisation par voie | Gbps | 25.78125 | NRZ | ||||
Longueur d'onde du centre | Nm | 840 | 860 | ||||
Seuil de dommages | DT | DBm | 3.4 | ||||
Recevoir moyen Puissance par voie | RXPx | DBm | -10.3 | 2.4 | |||
Puissance du récepteur (OMA) par voie | RxOMA | DBm | 3 | ||||
Réflectance du récepteur | Rfl | DB | -12 | ||||
Fermeture verticale des yeux Pénalité, par voie | DB | 1.9 | |||||
Recevoir stressé Sensibilité (OMA) par voie | SRS | DBm | -5.2 | ||||
Sensibilité (OMA) par voie | S | DBm | -10.3 | ||||
LOS De-Assert | LOSD | DBm | -12 | ||||
LOS Assert | LOSA | DBm | -30 | ||||
LOS Hystérésis | DBm | 0.5 | |||||
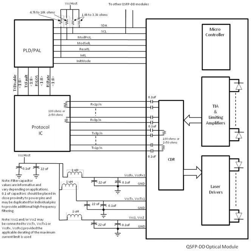
Schéma du principe

Figure 1. Diagramme du principe du module
Définition des ports électriques
Paramètres | Symbole | Unité | Min. | Typique | Max | Note |
Tension d'alimentation | VCC VCC3.3-Tx VCC3.3-Rx | V | 3.14 | 3.3 | 3.46 | |
Courant d'approvisionnement | Icc | MA | 1300 | |||
Consommation de puissance | PC | W | 4.5 | |||
Émetteur-récepteur Puissance-sur Initialiser le temps | Ms | 2000 | ||||
Émetteur | ||||||
Entrée unique VoltageTolérance | VinT | V | -0.3 | 4.0 | ||
Données différentielles Balançoire d'entrée | VIN | MVp-p | 300 | 1200 | ||
AC Commun Mode de sortie Tension (RMS) | MV | 15 | ||||
Entrée différentielle Impédance | Ω | 90 | 100 | 110 | ||
Récepteur | ||||||
Entrée unique VoltageTolérance | VoutR | V | 0.2 | |||
Données différentielles Sortie Swing | Vout,PP | MVp-p | 350 | 850 | ||
AC Mode commun Tension de sortie (RMS) | MV | 7.5 | ||||
Sortie différentielle Impédance | Ω | 90 | 100 | 110 | ||
Communication IIC | ||||||
IIC Fréquence d'horloge | KHZ | 100 | 400 | |||
Horloge d'étirement | Nous | 500 | ||||
Temps de maintien des données | Ns | 300 | ||||
Pin Deion

Figure 2. Détails de la sortie électrique
Épin | Logique | Symbole | Deion | Note |
1 | GND | Sol | 1 | |
2 | CML-I | Tx2n | TransmitterInvertedDataInput | |
3 | CML-I | Tx2p | TransmitterNon-InvertedDataInput | |
4 | GND | Sol | 1 | |
5 | CML-I | Tx4n | TransmitterInvertedDataInput | |
6 | CML-I | Tx4p | TransmitterNon-InvertedDataInput | |
7 | GND | Sol | 1 | |
8 | LVTTL-I | ModSelL | ModuleSelect | |
9 | LVTTL-I | Réinitialiser | ModuleReset | |
10 | VccRx | 3.3 VPowerSupplyRécepteur | 2 | |
11 | LVCOMS-I/O | SCL | 2-WireSerialInterfaceClock | |
12 | LVCOMS-I/O | SDA | 2-WireSerialInterfaceData | |
13 | GND | Sol | 1 | |
14 | CML-0 | Rx3p | Sortie Récepteur Non-InvertedDataOutput | |
15 | CML-0 | Rx3n | Récepteur InvertedDataOutput | |
16 | GND | Sol | 1 | |
17 | CML-0 | Rx1p | Sortie Récepteur Non-InvertedDataOutput | |
18 | CML-0 | Rx1n | Récepteur InvertedDataOutput | |
19 | GND | Sol | 1 | |
20 | GND | Sol | 1 | |
21 | CML-0 | Rx2n | Récepteur InvertedDataOutput | |
22 | CML-0 | Rx2p | Sortie Récepteur Non-InvertedDataOutput | |
23 | GND | Sol | 1 | |
24 | CML-0 | Rx4n | Récepteur InvertedDataOutput | |
25 | CML-0 | Rx4p | Sortie Récepteur Non-InvertedDataOutput | |
26 | GND | Sol | 1 | |
27 | LVTTL-0 | ModPrsL | ModulePrésent | |
28 | LVTTL-0 | IntL | Interrompre | |
29 | VccTx | 3.3 VPowerSupplytransmetteur | 2 | |
30 | Vcc1 | 3.3VPowerSupply | 2 | |
31 | LVTTL-I | InitMode | Mode d'initialisation; dans les applications legacyQSFPapplications,theIntiModepadisc AlledLPMode | |
32 | GND | Sol | 1 | |
33 | CML-I | Tx3p | TransmitterNon-InvertedDataInput | |
34 | CML-I | Tx3n | TransmitterInvertedDataInput | |
35 | GND | Sol | 1 | |
36 | CML-I | Tx1p | TransmitterNon-InvertedDataInput | |
37 | CML-I | Tx1n | TransmitterInvertedDataInput | |
38 | GND | Sol | 1 | |
39 | GND | Sol | 1 | |
40 | CML-I | Tx6n | TransmitterInvertedDataInput | |
41 | CML-I | Tx6p | TransmitterNon-InvertedDataInput | |
42 | GND | Sol | 1 | |
43 | CML-I | Tx8n | TransmitterInvertedDataInput | |
44 | CML-I | Tx8p | TransmitterNon-InvertedDataInput | |
45 | GND | Sol | 1 | |
46 | Réservé | Foreuruse | 3 | |
47 | VS1 | ModuleVendorSpécific1 | 3 | |
48 | VccRx1 | 3.3 VPowerSupplyRécepteur | 2 | |
49 | VS2 | ModuleVendorSpécific2 | 3 | |
50 | VS3 | ModuleVendorSpécific3 | 3 | |
51 | GND | Sol | 1 | |
52 | CML-0 | Rx7p | Sortie Récepteur Non-InvertedDataOutput | |
53 | CML-0 | Rx7n | Récepteur InvertedDataOutput | |
54 | GND | Sol | 1 | |
55 | CML-0 | Rx5p | Sortie Récepteur Non-InvertedDataOutput | |
56 | CML-0 | Rx5n | Récepteur InvertedDataOutput | |
57 | GND | Sol | 1 | |
58 | GND | Sol | 1 | |
59 | CML-0 | Rx6n | Récepteur InvertedDataOutput | |
60 | CML-0 | Rx6p | Sortie Récepteur Non-InvertedDataOutput | |
61 | GND | Sol | 1 | |
62 | CML-0 | Rx8n | Récepteur InvertedDataOutput | |
63 | CML-0 | Rx8p | Sortie Récepteur Non-InvertedDataOutput | |
64 | GND | Sol | 1 | |
65 | NC | NotConnect | 3 | |
66 | Réservé | Foreuruse | 3 | |
67 | VccTx1 | 3.3 VPowerSupplytransmetteur | 2 | |
68 | Vcc2 | 3.3VPowerSupply | 2 | |
70 | GND | Sol | 1 | |
71 | CML-I | Tx7p | TransmitterNon-InvertedDataInput | |
72 | CML-I | Tx7n | TransmitterInvertedDataInput | |
73 | GND | Sol | 1 | |
74 | CML-I | Tx5p | TransmitterNon-InvertedDataInput | |
75 | CML-I | Tx5n | TransmitterInvertedDataInput | |
76 | GND | Sol | 1 |
Notes:
1.QSFP-DD utilise la terre commune (GND) pour tous les signaux et l'alimentation (alimentation). Tous les courants dans le module QSFP-DD et toutes les tensions du module sont référencés à ce potentiel, sauf indication contraire. Les thèses connectées directement à la carte hôte signalent un plan de masse commun.
2.VccRx, VccRx1, Vcc1, Vcc2, VccTx et VccTx1 sont appliqués simultanément. Les exigences définies pour le côté hôte du connecteur de bord de la carte hôte sont répertoriées dans le tableau 4. VccRx, VccRx1, Vcc1, Vcc2, VccTx et VccTx1 peuvent être connectés en interne dans le module dans n'importe quelle combinaison. Les broches du connecteur Vcc sont chacune évaluées pour un courant maximum de 1000mA.
3. Toutes les broches spécifiques au fournisseur, réservées et sans connexion peuvent être terminées avec 50 ohms à la terre sur l'hôte. Pad 65 (No Connect) doit être laissé sans connexion dans le module. Les pads spécifiques et réservés aux fournisseurs doivent avoir une impédance à GND supérieure à 10 kOhms et inférieure à 100pF.
Carte de mémoire diagnostique numérique

Figure 3 Carte de la mémoire diagnostique numérique
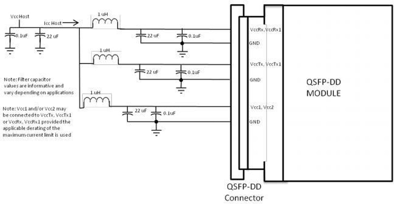
Filtrage d'alimentation de la carte hôte
Toute chute de tension à travers un réseau de filtre sur l'hôte est comptée par rapport à la spécification de précision de point de consigne DC hôte. Des inducteurs avec une résistance CC inférieure à 0.1 Ohm doivent être utilisés afin de maintenir la tension requise au niveau du connecteur de carte hôte. La figure est l'interface suggérée d'émetteur-récepteur/hôte.

Figure 4 Filtrage recommandé de l'alimentation de la carte hôte
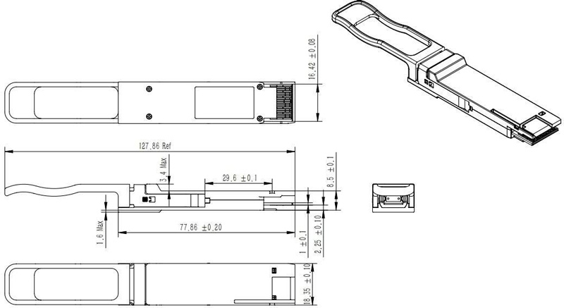
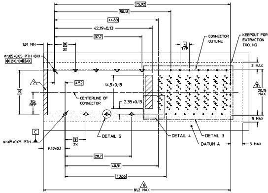
Dessin de contour (mm)

Figure 5 Aperçu du paquet

Figure 6 MPO Diagramme Pinout et Deion
Recommandation de mise en page de l'hôte PCB

Figure 7 Recommandation de mise en page des PCB
Applications
● Ethernet 200GBASE-SR8
● Ethernet 2 × 100GBASE-SR4
● Connexions de commutateur et de routeur
● Centres de données
● Autres exigences d'interconnexion 200G
| Date | Version | Description | Download | ||
| 2025-03-17 | Données _ 200G QSFP-DD SR8 850nm 100m _ LA-OT-200G-SR8_V2.X | ||||
Abonnez-vous maintenant, vous pouvez vous remettre de 100 précieuses ressources et de vos livres blancs.
Suivez-nous peut également obtenir les derniers produits et informations de l'industrie dans nos e-mails membres.Apprendre les détails >>>
Appelez-nous sur:
Nous envoyer un courriel:
2106B, # 3D, Cloud Park Phase 1, Bantian, Longgang, Shenzhen, 518129, P.R.C.