Ce produit est un 400 Gb/s Quad Small Form Facteur Pluggable-module optique à double densité (QSFP-DD) conçu pour 500m applications de communication optique.
Ce produit est un 400 Gb/s Quad Small Form Facteur Pluggable-module optique à double densité (QSFP-DD) conçu pour 500m applications de communication optique. Le module convertit 8 canaux de données d'entrée électrique de 50 Gb/s (PAM4) en 4 canaux de signaux optiques parallèles, chacun capable de 100 le fonctionnement de Gb/s pour un débit de données agrégées de 400 Gb/s. Inversement, du côté récepteur, le module convertit 4 canaux de signaux optiques parallèles de 100 Gb/s chaque canal pour un débit de données agrégées de 400 Gb/s en 8 canaux de 50 Gb/s (PAM4) données de sortie électrique. Un câble de fibre optique avec un connecteur MTP/MPO-12 peut être branché dans la QSFP-DD prise de module DR4. Un bon alignement est assuré par les broches de guidage à l'intérieur du réceptacle. Le câble ne peut généralement pas être tordu pour un alignement approprié du canal au canal. La connexion électrique est obtenue via un connecteur de type bord QSFP-DD conforme à MSA.
Le produit est conçu avec le facteur de forme, la connexion optique/électrique et l'interface de diagnostic numérique selon l'accord QSFP-DD multi-sources (MSA) de type 2. Il a été conçu pour répondre aux conditions de fonctionnement externes les plus difficiles, y compris la température, l'humidité et les interférences EMI.
Déion fonctionnel. Le module incorpore 4 canaux parallèles sur une longueur d'onde centrale de 1310nm, fonctionnant à 100G par canal. Le chemin de l'émetteur incorpore un pilote EML à quatre canaux avec 4 EML parallèles. Sur le chemin du récepteur, un réseau PD est connecté à un TIA à quatre canaux pour convertir l'entrée optique parallèle 400 Gb/s en 4 canaux de signaux électriques parallèles 100 Gb/s (PAM4). Une boîte de vitesses de base DSP est utilisée pour convertir 8 canaux de 25 signaux GBaud PAM4 en 4 canaux de 50 signaux GBaud PAM4 et également un retimer 8 canaux et un bloc FEC sont intégrés dans ce DSP. L'interface électrique est conforme à IEEE 802.3bs et QSFP-DD MSA dans les directions de transmission et de réception, et l'interface optique est conforme à QSFP-DD MSA avec MPO-12 connecteur.
Une seule alimentation 3.3V est nécessaire pour alimenter ce produit. Toutes les broches d'alimentation sont connectées en interne et doivent être appliquées simultanément. Conformément aux spécifications MSA, le module propose sept broches de contrôle matériel à faible vitesse (y compris l'interface série à 2 fils): ModSelL, SCL, SDA, ResetL, IniMode, ModPrsL et IntL. Module Select (ModSelL) est une broche d'entrée. Lorsqu'il est maintenu bas par l'hôte, ce produit répond aux commandes de communication série à 2 fils. Le ModSelL permet l'utilisation de ce produit sur un seul bus d'interface à 2 fils-des lignes ModSelL individuelles doivent être utilisées. Serial Clock (SCL) et Serial Data (SDA) sont nécessaires pour l'interface de communication de bus série à 2 fils et permettent à l'hôte d'accéder à la carte mémoire.
La broche ResetL permet une réinitialisation complète, ramenant les paramètres à leur état par défaut, lorsqu'un niveau bas sur la broche ResetL est maintenu plus longtemps que la longueur d'impulsion minimale. Pendant l'exécution d'une réinitialisation, l'hôte ne tient pas compte de tous les bits d'état jusqu'à ce qu'il indique une fin de l'interruption de réinitialisation. Le produit l'indique en publiant un signal IntL (Interrupt) avec le bit Data_Not_Ready annulé dans la carte mémoire. Notez qu'en cas de mise sous tension (y compris l'ion chaud), le module doit afficher cette fin d'interruption de réinitialisation sans nécessiter de réinitialisation. Mode d'initialisation (InitMode) est un signal d'entrée. Il est tiré jusqu'à Vcc dans le module QSFP-DD. Le signal InitMode permet à l'hôte de définir si le module QSFP-DD s'initialisera sous le contrôle logiciel hôte (IniMode affirmé High) ou le contrôle matériel du module (InitMode dégradé Low). Sous le contrôle du logiciel hôte, le module doit rester en mode faible consommation jusqu'à ce que le logiciel permette la transition vers le mode haute puissance, tel que défini dans la spécification de l'interface de gestion QSFP-DD. Sous le contrôle matériel (InitMode dé-affirmé Low), le module peut immédiatement passer en mode haute puissance après l'initialisation de l'interface de gestion. L'hôte ne changera pas l'état de ce signal pendant que le module est présent. Dans les applications QSFP héritées, ce signal est nommé LPMode. Voir SFF-8679 pour le signal LPMode deion. Le module présent (ModPrsL) est un signal local à la carte hôte qui, en l'absence de produit, est normalement tiré vers le haut vers l'hôte Vcc. Lorsque le produit est entré dans le connecteur, il termine le chemin vers la terre à travers une résistance sur la carte hôte et affirme le signal. ModPrsL indique alors son présent en définissant ModPrsL sur un état «Low».
Interruption (IntL) est une broche de sortie. «Low» indique un défaut opérationnel possible ou un état critique pour le système hôte. L'hôte identifie la source de l'interruption à l'aide de l'interface série à 2 fils. La broche IntL est une sortie collecteur ouverte et doit être tirée à la tension hôte Vcc sur la carte hôte.
Caractéristiques
● QSFP-DD MSA conforme
● 4 voies optiques parallèles
● Spécification conforme IEEE 802.3bs 400GBASE-DR4
● Transmission jusqu'à 500m sur fibre monomode (SMF) avec FEC
● Température du boîtier de fonctionnement: 0 à 70 ℃
● Interface électrique 8x53.125 Gb/s (400GAUI-8)
● Taux de données 106.25Gbps (PAM4) par canal
● Consommation de puissance maximale 12W
● Connecteur MPO-12
● RoHS conforme
Diagramme de bloc d'émetteur-récepteur

Figure 1. Diagramme du bloc émetteur-récepteur
Cession et description de la Pin
Le brochage électrique du module QSFP-DD est illustré à la figure 2 ci-dessous.
Figure 2. Connecteur conforme MSA
Définition de la Pin
Épin # | Logique | Symbole | Deion | Plug Séquence |
1 | GND | Sol | 1B | |
2 | CML-I | Tx2n | Entrée de données inversée par émetteur | 3B |
3 | CML-I | Tx2p | Entrée de données non inversée de l'émetteur | 3B |
4 | GND | Sol | 1B | |
5 | CML-I | Tx4n | Entrée de données inversée par émetteur | 3B |
6 | CML-I | Tx4p | Entrée de données non inversée de l'émetteur | 3B |
7 | GND | Sol | 1B | |
8 | LVTTL-I | ModSelL | Module Sélectionner | 3B |
9 | LVTTL-I | Réinitialiser | Réinitialisation du module | 3B |
10 | VccRx | Récepteur d'alimentation 3.3V | 2B | |
11 | LVCMOS-I/O | SCL | Horloge d'interface série à 2 fils | 3B |
12 | LVCMOS-I/O | SDA | Données d'interface série à 2 fils | 3B |
13 | GND | Sol | 1B | |
14 | CML-O | Rx3p | Sortie de données non inversée Récepteur | 3B |
15 | CML-O | Rx3n | Sortie de données inversée Récepteur | 3B |
16 | GND | Sol | 1B | |
17 | CML-O | Rx1p | Sortie de données non inversée Récepteur | 3B |
18 | CML-O | Rx1n | Sortie de données inversée Récepteur | 3B |
19 | GND | Sol | 1B | |
20 | GND | Sol | 1B | |
21 | CML-O | Rx2n | Sortie de données inversée Récepteur | 3B |
22 | CML-O | Rx2p | Sortie de données non inversée Récepteur | 3B |
23 | GND | Sol | 1B | |
24 | CML-O | Rx4n | Sortie de données inversée Récepteur | 3B |
25 | CML-O | Rx4p | Sortie de données non inversée Récepteur | 3B |
26 | GND | Sol | 1B | |
27 | LVTTL-O | ModPrsL | Module présent | 3B |
28 | LVTTL-O | IntL | Interrompre | 3B |
29 | VccTx | Transmetteur d'alimentation 3.3V | 2B | |
30 | Vcc1 | Alimentation électrique 3.3V | 2B | |
31 | LVTTL-I | InitMode | Mode d'initialisation; Dans les applications QSFP héritées, le pavé InitMode est appelé LPMODE | 3B |
32 | GND | Sol | 1B | |
33 | CML-I | Tx3p | Entrée de données non inversée de l'émetteur | 3B |
34 | CML-I | Tx3n | Entrée de données inversée par émetteur | 3B |
35 | GND | Sol | 1B | |
36 | CML-I | Tx1p | Entrée de données non inversée de l'émetteur | 3B |
37 | CML-I | Tx1n | Entrée de données inversée par émetteur | 3B |
38 | GND | Sol | 1B | |
39 | GND | Sol | 1A | |
40 | CML-I | Tx6n | Entrée de données inversée par émetteur | 3A |
41 | CML-I | Tx6p | Entrée de données non inversée de l'émetteur | 3A |
42 | GND | Sol | 1A | |
43 | CML-I | Tx8n | Entrée de données inversée par émetteur | 3A |
44 | CML-I | Tx8p | Entrée de données non inversée de l'émetteur | 3A |
45 | GND | Sol | 1A | |
46 | Réservé | Pour une utilisation future | 3A | |
47 | VS1 | Module fournisseur spécifique 1 | 3A | |
48 | VccRx1 | Alimentation électrique 3.3V | 2A | |
49 | VS2 | Module fournisseur spécifique 2 | 3A | |
50 | VS3 | Module fournisseur spécifique 3 | 3A | |
51 | GND | Sol | 1A | |
52 | CML-O | Rx7p | Sortie de données non inversée Récepteur | 3A |
53 | CML-O | Rx7n | Sortie de données inversée Récepteur | 3A |
54 | GND | Sol | 1A | |
55 | CML-O | Rx5p | Sortie de données non inversée Récepteur | 3A |
56 | CML-O | Rx5n | Sortie de données inversée Récepteur | 3A |
57 | GND | Sol | 1A | |
58 | GND | Sol | 1A | |
59 | CML-O | Rx6n | Sortie de données inversée Récepteur | 3A |
60 | CML-O | Rx6p | Sortie de données non inversée Récepteur | 3A |
61 | GND | Sol | 1A | |
62 | CML-O | Rx8n | Sortie de données inversée Récepteur | 3A |
63 | CML-O | Rx8p | Sortie de données non inversée Récepteur | 3A |
64 | GND | Sol | 1A | |
65 | NC | Pas de connexion | 3A | |
66 | Réservé | Pour une utilisation future | 3A | |
67 | VccTx1 | Alimentation électrique 3.3V | 2A | |
68 | Vcc2 | Alimentation électrique 3.3V | 2A | |
69 | Réservé | Pour une utilisation future | 3A | |
70 | GND | Sol | 1A | |
71 | CML-I | Tx7p | Entrée de données non inversée de l'émetteur | 3A |
72 | CML-I | Tx7n | Entrée de données inversée par émetteur | 3A |
73 | GND | Sol | 1A | |
74 | CML-I | Tx5p | Entrée de données non inversée de l'émetteur | 3A |
75 | CML-I | Tx5n | Entrée de données inversée par émetteur | 3A |
76 | GND | Sol | 1A |
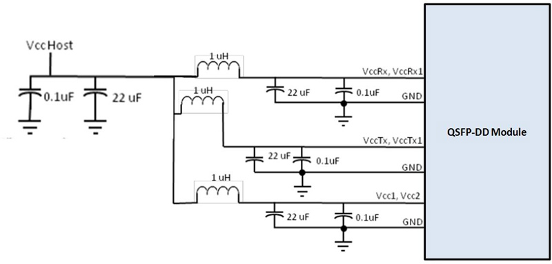
Filtre d'alimentation recommandé

Figure 3. Filtre d'alimentation recommandé
Évaluations maximales absolues
Il faut noter que le fonctionnement au-delà de toute valeur nominale maximale absolue individuelle pourrait causer des dommages permanents à ce module.
Paramètre | Symbole | Min | Max | Unités | Notes |
Température de stockage | TS | -40 | 85 | DegC | |
Boîtier de fonctionnement Température | TOP | 0 | 70 | DegC | |
Alimentation électrique Tension | VCC | -0.5 | 3.6 | V | |
Humidité relative (Sans condensation) | RH | 0 | 85 | % | |
Seuil de dommages, Chaque Lane | THd | 5 | DBm |
Conditions de fonctionnement recommandées et exigences en matière d'alimentation
Paramètre | Symbole | Min | Typique | Max | Unités | Notes |
Fonctionnement Cas Température | TOP | 0 | 70 | DegC | ||
Alimentation électrique V Oltage | VCC | 3.135 | 3.3 | 3.465 | V | |
Taux de données, Chaque Lane | 26.5625 | GBd | PAM4 | |||
Taux de données Précision | -100 | 100 | Ppm | |||
Bit pré-FEC Ratio d'erreur | 2,4x10-4 | |||||
Bit post-FEC Ratio d'erreur | 1x10-12 | 1 | ||||
Lien Distance | D | 2 | 500 | M | 2 |
Notes:
FEC fourni par le système hôte.
FEC requis sur le système hôte pour prendre en charge la distance maximale.
Caractéristiques électriques
Les actériques électriques suivantes sont définies par rapport à l'environnement d'exploitation recommandé, sauf indication contraire.
Paramètre | Point d'essai | Min | Typique | Max | Unités | Notes |
Consommation de puissance | 12 | W | ||||
Courant d'approvisionnement | Icc | 3.64 | A | |||
Émetteur (chaque voie) | ||||||
Taux de signalisation, Chaque Lane | TP1 | 26.5625 ± 100 ppm | GBd | |||
Différentiel pk-pk Tolérance de tension d'entrée | TP1a | 900 | MVpp | 1 | ||
Différentiel Résiliation Inadéquation | TP1 | 10 | % | |||
Entrée différentielle Perte de retour | TP1 | 802.3 IEEE- 2015 Équation (83E-5) | DB | |||
Différentiel à Mode commun Perte de retour d'entrée | TP1 | 802.3 IEEE- 2015 Équation (83E-6) | DB | |||
Module stressé Test d'entrée | TP1a | Voir IEEE 802.3bs 120E.3.4.1 | 2 | |||
À une seule fin Tolérance de tension Gamme (Min) | TP1a | -0.4 à 3.3 | V | |||
DC commun Mode D'entrée Tension | TP1 | -350 | 2850 | MV | 3 | |
Récepteur (chaque voie) | ||||||
Taux de signalisation, Chaque voie | TP4 | 26.5625 ± 100 ppm | GBd | |||
Différentiel Pic à pic Tension de sortie | TP4 | 900 | MVpp | |||
AC Commun Mode de sortie Tension, RMS | TP4 | 17.5 | MV | |||
Différentiel Inconcordance de résiliation | TP4 | 10 | % | |||
Sortie différentielle Perte de retour | TP4 | 802.3 IEEE- 2015 Équation (83E-2) | ||||
Commun à Mode différentiel Perte de retour de conversion | TP4 | 802.3 IEEE- 2015 Équation (83E-3) | ||||
Temps de transition, 20% à 80% | TP4 | 9.5 | Ps | |||
Proche-fin Symétrie des yeux Largeur de masque (ESMW) | TP4 | 0.265 | UI | |||
Quasi-end Eye Hauteur, Différentiel | TP4 | 70 | MV | |||
Oeil extrême-fin Masque de symétrie Largeur (ESMW) | TP4 | 0.2 | UI | |||
Oeil extrême-fin Hauteur, Différentiel | TP4 | 30 | MV | |||
Extrême-end Pré-curseur Ratio ISI | TP4 | -4.5 | 2.5 | % | ||
Mode commun Tension de sortie (Vcm) | TP4 | -350 | 2850 | MV | 3 | |
Notes:
À l'exception de l'IEEE 802.3bs 120E.3.1.2, le motif est PRBS31Q ou ralenti brouillé.
Répond à BER spécifié dans IEEE 802.3bs 120E.1.1.
DC tension de mode commun généré par l'hôte. La spécification comprend les effets de la tension de décalage de terre.
Caractéristiques optiques
Paramètre | Symbole | Min | Typique | Max | Unités | Notes |
Longueur d'onde centrale | Λc | 1304.5 | 1310 | 1317.5 | Nm | |
Émetteur | ||||||
Taux de données, Chaque Lane | 53.125 ± 100 ppm | GBd | ||||
Format de modulation | PAM4 | |||||
Côté-mode Rapport de suppression | SMSR | 30 | DB | |||
Lancement moyen Puissance, chaque Lane | PAVG | -2.9 | 4 | DBm | 1 | |
Optique externe Amplitude de modulation (OMAouter), Chaque Lane | POMA | -0.8 | 4.2 | DBm | 2 | |
Lancement de la puissance dans OMAouter Moins TDECQ), Chaque Lane Pour ER ≥ 5dB Pour ER < 5dB | -2.2 -1.9 | DB | ||||
Émetteur et Dispersion Oeil Fermeture pour PAM4, Chaque Lane | TDECQ | 3.4 | DB | |||
TDECQ - 10 * log10(Ceq), Chaque Lane | 3.4 | DB | 3 | |||
Rapport d'extinction | ER | 3.5 | DB | |||
RIN21.4OMA | RIN | -136 | DB/Hz | |||
Retour optique Tolérance de perte | TOL | 21.4 | DB | |||
Réflectance de l'émetteur | TR | -26 | DB | |||
Temps de transition de l'émetteur | 17 | Ps | ||||
Lancement moyen Puissance de l'OFF Émetteur, Chaque Lane | Poff | -15 | DBm | |||
Récepteur | ||||||
Taux de données, chaque voie | 53.125 ± 100 ppm | GBd | ||||
Format de modulation | PAM4 | |||||
Seuil de dommages, Chaque Lane | THd | 5 | DBm | 4 | ||
Recevoir moyen Puissance, chaque Lane | -5.9 | 4 | DBm | 5 | ||
Recevoir la puissance (OMAouter), chaque Lane | 4.2 | DBm | ||||
Sensibilité du récepteur (OMAouter), chaque Lane | SEN | Équation (1) | DBm | 6 | ||
Récepteur stressé Sensibilité (OMAouter), Chaque Lane | SRS | -1.9 | DBm | 7 | ||
Réflectance Récepteur | RR | -26 | DB | |||
LOS Assert | LOSA | -15 | DBm | |||
LOS De-affirmer | LOSD | -8.9 | DBm | |||
LOS Hystérésis | LOSH | 0.5 | DB | |||
Conditions stressées Pour récepteur de stress Sensibilité (note 8) | ||||||
Oeil stressé Fermeture pour PAM4 (SECQ), Lane sous test | 3.4 | DB | ||||
SECQ - 10 * log10(Ceq), Lane sous test | 3.4 | DB | ||||
OMAouter de Chaque voie de l'aggresseur | 4.2 | DBm | ||||
Notes:
1. Puissance de lancement moyenne, chaque voie (min) est informative et non le principal indicateur de la force du signal. Un émetteur dont la puissance de lancement est inférieure à cette valeur ne peut pas être conforme; cependant, une valeur supérieure à cela ne garantit pas la conformité.
2. Même si le TDECQ <1,4 dB pour un rapport d'extinction de ≥ 5dB ou TDECQ <1,1 dB pour un rapport d'extinction de <5dB, l'OMAouter (min) doit dépasser la valeur minimale spécifiée ici.
3. Ceq est un coefficient défini dans la clause IEEE Std 802.3-2018 121.8.5.3 qui tient compte de l'amélioration du bruit de l'égaliseur de référence.
4. Puissance de réception moyenne, chaque voie (min) est informative et non le principal indicateur de la force du signal. Une puissance reçue inférieure à cette valeur ne peut pas être conforme; cependant, une valeur supérieure à cela ne garantit pas la conformité.
5. Le récepteur doit être capable de tolérer, sans dommage, une exposition continue à un signal d'entrée optique modulé ayant ce niveau de puissance sur une voie. Le récepteur n'a pas à fonctionner correctement à cette puissance d'entrée.
6. Sensibilité du récepteur (OMAouter), chaque voie (max) est informative et est définie pour un émetteur avec une valeur de SECQ jusqu'à 3.4 dB. Il doit répondre à l'équation (1), qui est illustrée à la figure 4.
Où:
RS est la sensibilité du récepteur, et
SECQ est le SECQ de l'émetteur utilisé pour mesurer la sensibilité du récepteur.
7. Mesuré avec le signal de test de conformité à TP3 pour le BER égal à 2,4x10-4.
8. Ces conditions d'essai sont pour mesurer la sensibilité du récepteur stressé. Ce ne sont pas des bactéries du récepteur.

Figure 4. Illustration du masque de sensibilité du récepteur pour 400G-DR4
Fonctions diagnostiques numériques
Les actéries de diagnostic numériques suivantes sont définies sur les conditions de fonctionnement normales, sauf indication contraire.
Paramètre | Symbole | Min | Max | Unités | Notes |
Moniteur de température Erreur absolue | DMI_Temp | -3 | 3 | DegC | Au-dessus de la plage de température de fonctionnement |
Moniteur de tension d'alimentation Erreur absolue | DMI _ VCC | -0.1 | 0.1 | V | Plus de fonctionnement complet Gamme |
Canal RX Puissance Surveiller l'erreur absolue | DMI_RX_Ch | -2 | 2 | DB | 1 |
Courant de biais de canal Moniteur | DMI_Ibias_Ch | -10% | 10% | MA | |
Canal TX Moniteur de puissance Erreur absolue | DMI_TX_Ch | -2 | 2 | DB | 1 |
Notes:
En raison de la précision de mesure des différentes fibres monomodes, il peut y avoir une fluctuation supplémentaire de +/-1 dB, ou une précision totale de +/- 3 dB.
Dessin de contour (mm)

ESD
Cet émetteur-récepteur est spécifié comme seuil ESD 1kV pour les broches de données à grande vitesse et 2kV pour toutes les autres broches d'entrée électrique, testées par MIL-STD-883, méthode 3015.4 /JESD22-A114-A (HBM). Cependant, des précautions ESD normales sont toujours nécessaires lors de la manipulation de ce module. Cet émetteur-récepteur est expédié dans un emballage protecteur ESD. Il doit être retiré de l'emballage et manipulé uniquement dans un environnement protégé par l'ESD.
Sécurité laser
Il s'agit d'un produit laser de classe 1 selon la norme EN 60825-1:2014. Ce produit est conforme aux 1040.10 et 1040.11 du 21 CFR, à l'exception des écarts conformément à l'avis laser n ° 50 daté du 24 juin 2007.
Attention: L'utilisation de contrôles ou d'ajustements ou de performances de procédures autres que celles spécifiées dans les présentes peut entraîner une exposition aux rayonnements dangereux.
Applications
● 400G Ethernet
● Interconnexions InfiniBand
| Date | Version | Description | Download | ||
| 2025-03-17 | Données _ 400G QSFP-DD DR4 1310nm 500m _ LA-OT-400G-DR4 | ||||
Abonnez-vous maintenant, vous pouvez vous remettre de 100 précieuses ressources et de vos livres blancs.
Suivez-nous peut également obtenir les derniers produits et informations de l'industrie dans nos e-mails membres.Apprendre les détails >>>
Appelez-nous sur:
Nous envoyer un courriel:
2106B, # 3D, Cloud Park Phase 1, Bantian, Longgang, Shenzhen, 518129, P.R.C.