Ce produit est un 200 Gb/s Quad Small Form Factor Pluggable-module optique à double densité (QSFP-DD) conçu pour les applications de communication optique.
Ce produit est un 200 Gb/s Quad Small Form Factor Pluggable-module optique à double densité (QSFP-DD) conçu pour les applications de communication optique. Le module convertit 8 canaux de données d'entrée électrique de 25 Gb/s (NRZ) en 4 canaux de signaux optiques LAN-WDM, et les multiplex en un seul canal pour une transmission optique de 200 Gb/s(PMA4). À l'inverse, du côté récepteur, le module démultiplexe optiquement une entrée optique de 200 Gb/s(PMA4) dans 4 canaux de signaux optiques WDM, et les convertit en 8 canaux de données de sortie électrique de 25 Gb/s (NRZ). Les longueurs d'onde centrales des 4 canaux LAN WDM sont 1295.56, 1300.05, 1304.58 et 1309.14 nm en tant que membres de la grille de longueurs d'onde LAN WDM définie dans IEEE802.3ba. Il contient un connecteur LC duplex pour l'interface optique et un connecteur à 76 broches pour l'interface électrique. Pour minimiser la dispersion optique dans le système long-courrier, la fibre monomode (SMF) doit être appliquée dans ce module. Il peut supporter jusqu'à 30km avec 200G FEC et 40km avec PFEC intégré. Le produit est conçu avec le facteur de forme, la connexion optique/électrique et l'interface de diagnostic numérique selon l'accord QSFP-DD multi-sources (MSA). Il a été conçu pour répondre aux conditions de fonctionnement externes les plus difficiles, y compris la température, l'humidité et les interférences EMI.
Caractéristiques
● QSFP-DD MSA conforme
● Conception MUX/DEMUX à 4 voies LWDM
● Transmission jusqu'à 40km sur fibre monomode (SMF) avec PFEC intégré
● Température du boîtier de fonctionnement: 0 à 70oC
● Consommation de puissance maximale 12W
● Connecteur LC duplex
● RoHS conforme
Diagramme de bloc d'émetteur-récepteur

Figure 1. Diagramme du bloc émetteur-récepteur
Affectation des pin et Deion
Le brochage électrique du module QSFP-DD est illustré à la figure 2 ci-dessous.

Figure 2. Connecteur conforme MSA
Définition de la Pin
37 | CML-I | Tx1n | Entrée de données inversée par émetteur | 3B | |
38 | GND | Sol | 1B | 1 | |
39 | GND | Sol | 1A | 1 | |
40 | CML-I | Tx6n | Entrée de données inversée par émetteur | 3A | |
41 | CML-I | Tx6p | Données non inverties de l'émetteur Entrée | 3A | |
42 | GND | Sol | 1A | 1 | |
43 | CML-I | Tx8n | Entrée de données inversée par émetteur | 3A | |
44 | CML-I | Tx8p | Données non inverties de l'émetteur Entrée | 3A | |
45 | GND | Sol | 1A | 1 | |
46 | Réservé | Pour une utilisation future | 3A | 3 | |
47 | VS1 | Module fournisseur spécifique 1 | 3A | 3 | |
48 | VccRx1 | Alimentation électrique 3.3V | 2A | 2 | |
49 | VS2 | Module fournisseur spécifique 2 | 3A | 3 | |
50 | VS3 | Module fournisseur spécifique 3 | 3A | 3 | |
51 | GND | Sol | 1A | 1 | |
52 | CML-O | Rx7p | Sortie de données non inversée Récepteur | 3A | |
53 | CML-O | Rx7n | Sortie de données inversée Récepteur | 3A | |
54 | GND | Sol | 1A | 1 | |
55 | CML-O | Rx5p | Sortie de données non inversée Récepteur | 3A | |
56 | CML-O | Rx5n | Sortie de données inversée Récepteur | 3A | |
57 | GND | Sol | 1A | 1 | |
58 | GND | Sol | 1A | 1 | |
59 | CML-O | Rx6n | Sortie de données inversée Récepteur | 3A | |
60 | CML-O | Rx6p | Sortie de données non inversée Récepteur | 3A | |
61 | GND | Sol | 1A | 1 | |
62 | CML-O | Rx8n | Sortie de données inversée Récepteur | 3A | |
63 | CML-O | Rx8p | Sortie de données non inversée Récepteur | 3A | |
64 | GND | Sol | 1A | 1 | |
65 | NC | Pas de connexion | 3A | 3 | |
66 | Réservé | Pour une utilisation future | 3A | 3 | |
67 | VccTx1 | Alimentation électrique 3.3V | 2A | 2 | |
68 | Vcc2 | Alimentation électrique 3.3V | 2A | 2 | |
69 | Réservé | Pour une utilisation future | 3A | 3 | |
70 | GND | Sol | 1A | 1 | |
71 | CML-I | Tx7p | Entrée de données non inversée de l'émetteur | 3A | |
72 | CML-I | Tx7n | Entrée de données inversée par émetteur | 3A | |
73 | GND | Sol | 1A | 1 | |
74 | CML-I | Tx5p | Entrée de données non inversée de l'émetteur | 3A | |
75 | CML-I | Tx5n | Entrée de données inversée par émetteur | 3A | |
76 | GND | Sol | 1A | 1 |
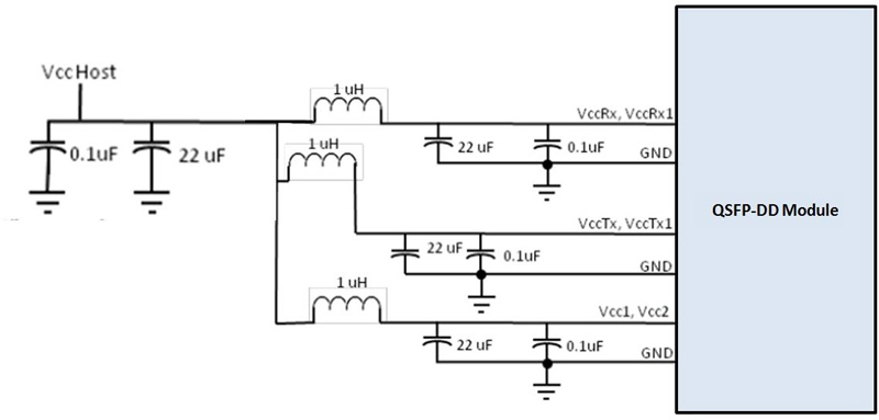
Filtre d'alimentation recommandé
Figure 3. Filtre d'alimentation recommandé
Évaluations maximales absolues
Il faut noter que le fonctionnement au-delà de toute valeur nominale maximale absolue individuelle pourrait causer des dommages permanents à ce module.
Paramètre | Symbole | Min | Max | Unités | Notes |
Température de stockage | TS | -40 | 85 | DegC | |
Boîtier de fonctionnement Température | TOP | 0 | 70 | DegC | |
Tension d'alimentation | VCC | -0.5 | 3.6 | V | |
Humidité relative (Sans condensation) | RH | 0 | 85 | % | |
Seuil de dommages, Chaque Lane | THd | -5.0 | DBm |
Conditions de fonctionnement recommandées et exigences en matière d'alimentation
Paramètre | Symbole | Min | Typique | Max | Unités | Notes |
Boîtier de fonctionnement Température | TOP | 0 | 70 | DegC | ||
Alimentation électrique Tension | VCC | 3.135 | 3.3 | 3.465 | V | |
Taux de données, chaque voie | 26.5625 | GBd | PAM4 | |||
Précision du taux de données | -100 | 100 | Ppm | |||
Ratio d'erreur pré-FEC Bit | 2,4x10-4 | |||||
Ratio d'erreur post-FEC | 1x10-12 | 1 | ||||
Lien Distance | D | 0.002 | 30 | Km | 2 | |
Lien Distance | D | 0.002 | 40 | Km | 3 |
Notes:
1. FEC fourni par le système hôte.
2. FEC requis sur le système hôte pour prendre en charge la distance maximale.
3. PFEC intégré est nécessaire pour prendre en charge jusqu'à 40km
Caractéristiques électriques
Les actériques électriques suivantes sont définies par rapport à l'environnement d'exploitation recommandé, sauf indication contraire.
Paramètre | Point d'essai | Min | Typique | Max | Unités | Notes | ||||
12 | Courant supplantal | 3.64 | SignalingRate,eachLane | 26.5625 ± 100ppm | InputVoltageTolérance différentielle | 900 | 1 | |||
Résiliation Inadéquation | 10 | Perte de retour différentialPerte | IEEE802.3- Équation DB | |||||||
TP1 | 2015 (83E-6) | dB | ||||||||
Module stressé Test d'entrée | TP1a | Voir IEEE 802.3bs 120E.3.4.1 | 2 | |||||||
À une seule fin Tolérance de tension Gamme (Min) | TP1a | -0.4 à 3.3 | V | |||||||
DC commun Mode D'entrée Tension | TP1 | -350 | 2850 | |||||||
Récepteur (chaque voie) | ||||||||||
Taux de signalisation, Chaque voie | TP4 | 26.5625 ± 100 ppm | GBd | |||||||
Différentiel Pic à pic Tension de sortie | TP4 | 900 | ||||||||
Différentiel Résiliation Inadéquation | TP4 | 10 | ||||||||
Différentiel Sortie Retour Perte | TP4 | 802.3 IEEE- 2015 Équation (83E-2) | ||||||||
Commun à Différentiel Mode Conversion Perte de retour | TP4 | 802.3 IEEE- 2015 Équation (83E-3) | ||||||||
Transition Du temps, 20% À 80% | TP4 | 9.5 | ||||||||
Proche-fin Oeil Symétrie Masque Largeur (ESMW) | TP4 | 0.265 | ||||||||
Proche-fin Oeil Hauteur, Différentiel | TP4 | 70 | ||||||||
Oeil extrême-fin Symétrie Masque Largeur (ESMW) | TP4 | 0.2 | ||||||||
Extrême-end Oeil Hauteur, Différentiel | TP4 | 30 | ||||||||
Extrême-end Pré-curseur Ratio ISI | TP4 | -4.5 | 2.5 | |||||||
Commun Mode Sortie Tension (Vcm) | TP4 | -350 | 2850 | |||||||
Notes:
1. À l'exception de l'IEEE 802.3bs 120E.3.1.2, le motif est PRBS31Q ou ralenti brouillé.
2. Répond au BER spécifié dans l'IEEE 802.3bs 120E.1.1.
3. DC tension de mode commun généré par l'hôte. La spécification comprend les effets de la tension de décalage de terre.
Caractéristiques optiques
Paramètre | Symbole | Min | Typique | Max | Unités | Notes |
Longueur d'onde Affectation | L0 | 1294.53 | 1295.56 | 1296.59 | Nm | |
L1 | 1299.02 | 1300.05 | 1301.09 | Nm | ||
L2 | 1303.54 | 1304.58 | 1305.63 | Nm | ||
L3 | 1308.09 | 1309.14 | 1310.19 | Nm | ||
Émetteur | ||||||
Taux de données, chaque voie | 53.125 ± 100 ppm | GBd | ||||
Format de modulation | PAM4 | |||||
Côté-mode Rapport de suppression | SMSR | 30 | DB | |||
Moyenne totale Puissance de lancement | PT | 14.7 | DBm | |||
Puissance de lancement moyenne, Chaque Lane | PAVG | -0.1 | 5.6 | DBm | ||
Optique externe Modulation Amplitude (OMAouter), Chaque Lane | POMA | 3.4 | 6.4 | DBm | ||
Lancement de la puissance dans OMAouter moins TDECQ, chaque voie | 3 | DB | ||||
Émetteur et Dispersion Fermeture des yeux Pour PAM4, chaque Lane | TDECQ | 3.2 | DB | |||
Rapport d'extinction | ER | 6 | DB | |||
Différence dans Puissance de lancement Entre tout Deux voies (OMAouter) | 4 | DB | ||||
RIN15.1OMA | RIN | -132 | DB/Hz | |||
Retour optique Tolérance de perte | TOL | 15.1 | DB | |||
Réflectance de l'émetteur | RT | -26 | DB | |||
Lancement moyen Puissance de l'OFF Émetteur, Chaque Lane | Poff | -30 | DBm | |||
Récepteur | ||||||
Taux de données, chaque voie | 53.125 ± 100 ppm | GBd | ||||
Format de modulation | PAM4 | |||||
Sensibilité, chaque voie | Sen1 | MAX (-11.1, SECQ-12.5) | DBm | Pour 30km | ||
Sensibilité, chaque voie | Sen2 | MAX (-14.1, SECQ-15.5) | DBm | Pour 40km | ||
Conditions stressées pour la sensibilité du récepteur de stress (note 8) | ||||||
Fermeture des yeux stressés Pour PAM4 (SECQ), Lane sous test | 3.4 | DB | ||||
SECQ - 10 * log10(Ceq), Lane sous test | DB | |||||
OMAouter de Chaque voie de l'aggresseur | -8 | DBm | ||||
Fonctions diagnostiques numériques
Paramètre | Symbole | Min | Max | Unités | Notes |
Moniteur de température Erreur absolue | DMI_Temp | -3 | 3 | DegC | Au-dessus de la plage de température de fonctionnement |
Tension d'alimentation Moniteur Erreur absolue | DMI _ VCC | -0.1 | 0.1 | V | Plus de fonctionnement complet Gamme |
Canal RX Puissance Surveiller l'erreur absolue | DMI_RX_Ch | -2 | 2 | DB | 1 |
Biais des canaux Moniteur actuel | DMI_Ibias_Ch | -10% | 10% | MA | |
Puissance du canal TX Moniteur Erreur absolue | DMI_TX_Ch | -2 | 2 | DB | 1 |
Les actéries de diagnostic numériques suivantes sont définies sur les conditions de fonctionnement normales, sauf indication contraire.
Notes:
4. En raison de la précision de mesure des différentes fibres monomodes, il peut y avoir une fluctuation supplémentaire de +/-1 dB, ou une précision totale de +/- 3 dB.
Dessin de contour (mm)

Applications
● Réseau 5G
● 200G Ethernet
● Mise en réseau d'entreprise
| Date | Version | Description | Download | ||
| 2025-03-17 | Datasheet _ 200G QSFP-DD ER4 1310nm 40km _ LA-OT-200G-ER4 | ||||
Abonnez-vous maintenant, vous pouvez vous remettre de 100 précieuses ressources et de vos livres blancs.
Suivez-nous peut également obtenir les derniers produits et informations de l'industrie dans nos e-mails membres.Apprendre les détails >>>
Appelez-nous sur:
Nous envoyer un courriel:
2106B, # 3D, Cloud Park Phase 1, Bantian, Longgang, Shenzhen, 518129, P.R.C.