Paquet SFP avec connecteur LC, laser DFB 1310nm et détecteur photo PIN.
Caractéristiques
● Paquet SFP avec connecteur LC
● Détecteur de photo laser et PIN DFB 1310nm
● Transmission jusqu'à 1.4km sur SMF
● Dissipation de puissance <1W
● Interface d'entrée/sortie de données compatible LVPECL
● Faible EMI et excellente protection ESD
● Norme de sécurité laser IEC-60825 conforme
● Compatible avec RoHS
● Compatible avec SFF8472
Paramètre | Symbole | Minimum | Maximum | Unités |
Température de stockage | Tst | -40 | + 85 | °C |
Tension d'alimentation | Vcc | 0 | + 3.6 | V |
Humidité relative de fonctionnement | RH | 0 | 85 | % |
Environnement d'opération
Paramètre | Symbole | Min | Typique | Max | Unités | |
Tension d'alimentation | Vcc | 3.15 | 3.45 | V | ||
Température du boîtier de fonctionnement | Commercial | Tc | 0 | + 70 | °C | |
Dissipation de puissance | 1 | W | ||||
Taux de données | 10.3125 | Gbps | ||||
Caractéristiques optiques
(Température de fonctionnement ambiante 0 °C à + 70 °C, Vcc = 3.3 V)
Paramètre | Symbole | Min. | Typ. | Max. | Unités |
Section de l'émetteur | |||||
Longueur d'onde centrale | Lo | 1290 | 1310 | 1330 | Nm |
Rapport de suppression en mode latéral | SMSR | 35 | - | - | DB |
Puissance de sortie moyenne | Po | -8 | - | 0.5 | DBm |
Rapport d'extinction | Er | 3.5 | - | - | DB |
Pénalité de dispersion | 3.2 | DB | |||
Bruit d'intensité relative | RIN12OMA | -128 | DB/Hz | ||
Jitter total | Tj | IEEE 802.3ae | |||
Section du récepteur | |||||
Longueur d'onde centrale | Lo | 1310 | Nm | ||
Sensibilité du récepteur | Rsen | -14 | DBm | ||
Sensibilité stressée | Rsen | -13 | DBm | ||
Surcharge du récepteur | Rov | -3 | DBm | ||
Perte de retour | 12 | DB | |||
LOS Assert | LOSA | -25 | DBm | ||
Dessert LOS | LOSD | -15 | DBm | ||
LOS Hystérésis | 0.5 | 4 | |||
Caractéristiques électriques
(Température de fonctionnement ambiante 0 °C à 70 °C, Vcc = 3.3 V)
Paramètre | Symbole | Min. | Typ. | Max. | Unité | |
Section de l'émetteur | ||||||
Impendance différentielle d'entrée | Zin | 90 | 100 | 110 | Ohm | |
Différentiel d'oscillation d'entrée de données | Vin | 180 | 700 | MV | ||
TX Désactiver | Désactiver | 2.0 | Vcc | V | ||
Permettre | 0 | 0.8 | V | |||
Faute TX | Assert | 2.0 | Vcc | V | ||
Deassert | 0 | 0.8 | V | |||
Section du récepteur | ||||||
Pendance différentielle de sortie | Zout | 100 | Ohm | |||
Différentiel de sortie de données Swing | Vout | 300 | 800 | MV | ||
Rx_LOS | Assert | 2.0 | Vcc | V | ||
Deassert | 0 | 0.8 | V | |||
Diagnostics
Paramètre | Gamme | Précision | Unité | Étalonnage |
Température | -10 ~ 75 | ± 5 | °C | Interne |
Tension | 3.15 ~ 3.45 | ± 0.1 | V | Interne |
Courant partial | 10 ~ 80 | ± 2 | MA | Interne |
Puissance Tx | -8 ~ 1 | ± 2 | DBm | Interne |
Puissance Rx | -16 ~ -3 | ± 3 | DBm | Interne |
INFORMATIONS EEPROM (A0)
Addr | Taille du champ (octets) | Nom du champ | HEX | Description |
0 | 1 | Identifiant | 03 | SFP |
1 | 1 | Ext. Identifiant | 04 | MOD4 |
2 | 1 | Connecteur | 07 | LC |
3-10 | 8 | Émetteur-récepteur | 10 00 00 00 00 00 00 00 00 00 | Code de l'émetteur |
11 | 1 | Encodage | 06 | 64B66B |
12 | 1 | BR, nominal | 67 | 10000M bps |
13 | 1 | Réservé | 00 | |
14 | 1 | Longueur (9um)-km | 0A | |
15 | 1 | Longueur (9um) | 00 | |
16 | 1 | Longueur (50um) | 00 | |
17 | 1 | Longueur (62.5um) | 00 | |
18 | 1 | Longueur (cuivre) | 00 | |
19 | 1 | Réservé | 00 | |
20-35 | 16 | Nom du vendeur | 57 49 4E 54 4F 50 20 20 20 20 20 20 20 20 20 20 20 | OEM |
36 | 1 | Réservé | 00 | |
37-39 | 3 | Vendeur OUI | 00 00 00 00 | |
40-55 | 16 | Vendeur PN | Xx xx xx xx xx xx xx xx xx xx Xx xx xx xx xx xx xx xx xx xx | ASC II |
56-59 | 4 | Vendeur rev | 31 2E 30 20 | V1.0 |
60-61 | 2 | Longueur d'onde | 05 1E | 1310nm |
62 | 1 | Réservé | 00 | |
63 | 1 | BASE CC | XX | Vérifiez la somme de l'octet 0 ~ 62 |
64-65 | 2 | Options | 00 1A | LOS, TX_DISPONIBLE, TX_FAULT |
66 | 1 | BR, max | 00 | |
67 | 1 | BR, min | 00 | |
68-83 | 16 | Vendeur SN | 00 00 00 00 00 00 00 00 00 00 00 00 00 00 00 00 00 00 | Non spécifié |
84-91 | 8 | Code de date du vendeur | XX XX XX 20 | Année, mois, jour |
92-94 | 3 | Réservé | 00 | |
95 | 1 | CC_EXT | XX | Vérifier la somme de l'octet 64 ~ 94 |
96-255 | 160 | Fournisseur spécifique |
Broche Description
Épilles | Nom | Description | NOTE |
1 | VeeT | Émetteur au sol | |
2 | Défaut Tx | Indication de défaut de l'émetteur | 1 |
3 | Tx Désactiver | Désactiver l'émetteur | 2 |
4 | MOD DEF2 | Module Définition 2 | 3 |
5 | MOD DEF1 | Module Définition 1 | 3 |
6 | MOD DEF0 | Module Définition 0 | 3 |
7 | RS0 | Non connecté | |
8 | LOS | Perte de signal | 4 |
9 | RS1 | Non connecté | |
10 | VeeR | Récepteur au sol | |
11 | VeeR | Récepteur au sol | |
12 | RD- | Inv. Sortie de données reçue | 5 |
13 | RD | Sortie de données iReçu | 5 |
14 | VeeR | Récepteur au sol | |
15 | VccR | Puissance du récepteur | |
16 | VccT | Puissance de l'émetteur | |
17 | VeeT | Émetteur au sol | |
18 | TD | Transmettre l'entrée de données | 6 |
19 | TD- | Inv. Transmettre l'entrée de données | 6 |
20 | VeeT | Émetteur au sol |
Notes:
1. La panne TX est une sortie collecteur ouverte, qui doit être tirée vers le haut avec une résistance de 4.7k ~ 10kΩ sur la carte hôte à une tension comprise entre 2.0V et Vcc 0.3V. La logique 0 indique un fonctionnement normal; la logique 1 indique un défaut laser quelconque. Dans l'état bas, la sortie sera tirée à moins de 0.8V.
2. TX Désactiver est une entrée qui est utilisée pour arrêter la sortie optique de l'émetteur. Il est tiré vers le haut dans le module avec une résistance de 4.7k ~ 10kΩ. Ses états sont:
Faible (0 ~ 0.8V): Transmetteur sur
(>0.8V, <2.0V): Non défini
Élevé (2.0 ~ 3.465V): Transmetteur désactivé
Ouvert: Transmetteur Désactivé
3. MOD-DEF 0,1,2 est les broches de définition du module. Ils doivent être tirés vers le haut avec une résistance de 4.7k ~ 10kΩ sur la carte hôte. La tension de traction doit être VccT ou VccR.
MOD-DEF 0 est mis à la terre par le module pour indiquer que le module est présent
MOD-DEF 1 est la ligne d'horloge de l'interface série à deux fils pour l'ID série
MOD-DEF 2 est la ligne de données de l'interface série à deux fils pour l'ID série
4. LOS est une sortie collecteur ouvert, qui doit être tirée vers le haut avec une résistance de 4.7k ~ 10kΩ sur la carte hôte à une tension comprise entre 2.0V et Vcc 0.3V. La logique 0 indique un fonctionnement normal; la logique 1 indique une perte de signal. Dans l'état bas, la sortie sera tirée à moins de 0.8V.
5. ce sont la sortie du récepteur différentiel. Ce sont des lignes différentielles de 100Ω à couplage CA en interne qui doivent être terminées par 100Ω (différentiel) au niveau des SERDES utilisateurs.
6. Ce sont les entrées différentielles de l'émetteur. Ce sont des lignes différentielles couplées AC avec une terminaison différentielle de 100Ω à l'intérieur du module.
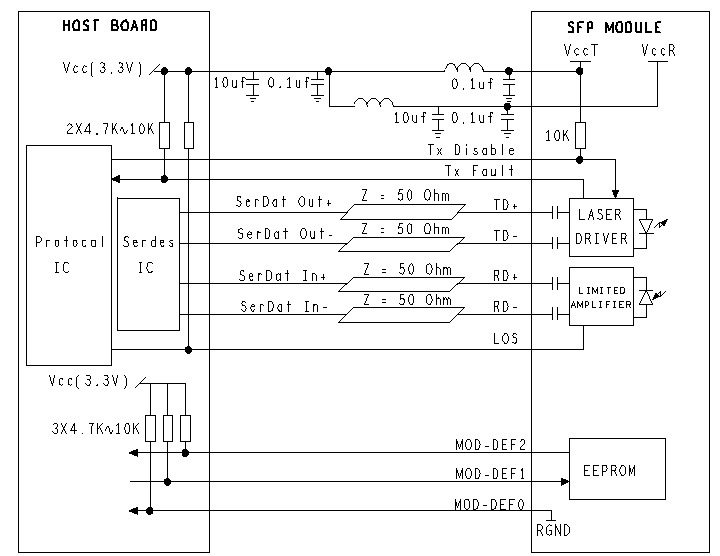
Circuit d'application recommandé

Dessin de contour (mm)

Application
● Ethernet
● Fiber Channel
| Date | Version | Description | Download | ||
| 2025-03-17 | Datasheet _ 10G SFP LR 1310nm 1.4km SM LC_LA-OT-10G3-1.4_V2.Y | ||||
Abonnez-vous maintenant, vous pouvez vous remettre de 100 précieuses ressources et de vos livres blancs.
Suivez-nous peut également obtenir les derniers produits et informations de l'industrie dans nos e-mails membres.Apprendre les détails >>>
Appelez-nous sur:
Nous envoyer un courriel:
2106B, # 3D, Cloud Park Phase 1, Bantian, Longgang, Shenzhen, 518129, P.R.C.